Operation CHARM: Car repair manuals for everyone.
Manuals through 2025 now available!

Our trusted friends have launched a new website named LEMON, which has newer manuals. It also contains all the CHARM manuals.

LEMON is the spiritual successor to CHARM, I recommend you try it!

Link: lemon-manuals.la or lemon-manuals.org.ua

(Some people have issue connecting. LEMON is investigating. For now, use Firefox or change your DNS server)

Or, hide this message: temporarily or permanently

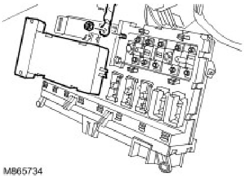
Central Junction Box (CJB)



Central Junction Box (CJB)

Removal

WARNING:
- Persons working on the supplemental restraint system (SRS) must be fully trained and have been issued with the safety guidelines.
- Allow a period of 10 minutes to elapse after disconnecting the battery before undertaking any work on the SRS.
- The SRS electrical connectors are unique. DO NOT force, or attempt to connect electrical connectors to the wrong sockets.
- The correct procedures must always be used when working on SRS components.
- It is imperative that before any work is undertaken on the SRS system, the appropriate information is read thoroughly.
- Always disconnect both battery cables before beginning work on the SRS system. Disconnect the ground cable first. Never reverse connect the battery.
- Take extra care when handling SRS components.


1. Make the air bag supplemental restraint system (SRS) safe.
2. Disconnect the battery ground cable.
3. Remove the audio unit.
4. Remove the central junction box (CJB) lower access cover.
- Release the clips.







5. Remove the CJB battery positive cables.
- Remove the 5 nuts.







6. Release the CJB from the in-vehicle crossbeam.
- Remove the 4 screws.
- Reposition the CJB assembly for access.







7. Disconnect the 8 CJB electrical connectors.







8. Remove the CJB.
- Remove the CJB upper access cover.
- Disconnect the CJB battery positive cable.
- Reposition the battery positive cable for access.







Installation
1. Install the CJB.
- Connect the CJB battery positive cable.
- Tighten the nut to 15 Nm (11 lb.ft).
- Install the CJB upper access cover.

2. Connect the CJB electrical connectors.
3. Secure the CJB.
- Install the screws.

4. Install the CJB battery positive cables.
- Connect the CJB battery positive cables to the previously marked positions.
- Tighten the nuts to 8 Nm (6 lb.ft).

5. Install the CJB lower access cover.
6. Install the audio unit.
7. Connect the battery ground cable.