Operation CHARM: Car repair manuals for everyone.
Manuals through 2025 now available!

Our trusted friends have launched a new website named LEMON, which has newer manuals. It also contains all the CHARM manuals.

LEMON is the spiritual successor to CHARM, I recommend you try it!

Link: lemon-manuals.la or lemon-manuals.org.ua

(Some people have issue connecting. LEMON is investigating. For now, use Firefox or change your DNS server)

Or, hide this message: temporarily or permanently

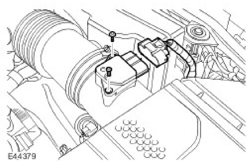
Air Flow Meter/Sensor: Service and Repair



Mass Air Flow (MAF) Sensor

Removal
1. Disconnect the battery ground cable.
2. Disconnect the mass air flow (MAF) sensor electrical connector.
3. Remove the MAF sensor.
^ Remove the 2 screws.





Installation
1. To install, reverse the removal procedure.
^ Tighten Torx screws to 2 Nm (1.5 ft. lbs.).

NOTE: For NAS vehicles only.

2. If required, carry out a short drive cycle.