Operation CHARM: Car repair manuals for everyone.
Manuals through 2025 now available!

Our trusted friends have launched a new website named LEMON, which has newer manuals. It also contains all the CHARM manuals.

LEMON is the spiritual successor to CHARM, I recommend you try it!

Link: lemon-manuals.la or lemon-manuals.org.ua

(Some people have issue connecting. LEMON is investigating. For now, use Firefox or change your DNS server)

Or, hide this message: temporarily or permanently

Information and Entertainment Module



Information and Entertainment Module

Removal
1. Disconnect the battery ground cable.
2. Remove the access panel from the loadspace trim panel LH.
3. Remove the loadspace trim panel, floor stowage compartment LH access cover.
4. Raise and support the spare tire loadspace trim panel.
5. Remove the LH finisher trim panel.
- Remove the luggage tie down ring.
- Remove the 2 turn fasteners securing the LH finisher trim panel.







6. Remove the lower turn fastener, securing the front loadspace trim panel LH.
7. Remove the trim clip securing the front loadspace trim panel LH to the floor stowage compartment.
8. Remove the LH floor stowage compartment.
- Remove the 3 nuts.







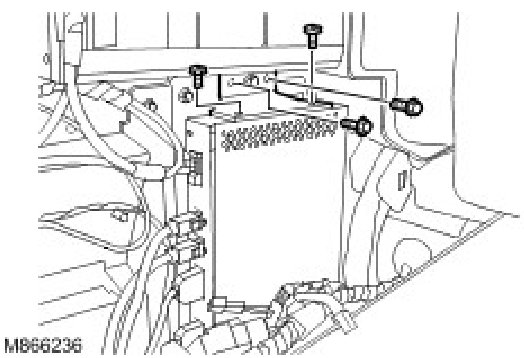
9. Remove the information and entertainment module upper bracket.
- Remove the 2 bolts.
- Remove the 2 screws.







10. Release the information and entertainment module from its lower locating bracket.







CAUTION: Cover fiber optic cable connectors to minimize dust ingress and avoid bending the cables in a radius of less than 30 mm.

11. Remove the information and entertainment module.
- Disconnect the optical connector.
- Disconnect the 7 electrical connectors.







12. Remove the information and entertainment module lower bracket.
- Remove the 2 screws.







Installation
1. Install the information and entertainment lower bracket.
- Install the screws.

2. Install the information and entertainment module.
- Connect the optical connector.
- Connect the electrical connectors.

3. Install the information and entertainment module upper bracket.
- Tighten the bolts to 10 Nm (7 lb.ft).

4. Install the LH floor stowage compartment.
- Install the nuts.

5. Install the trim clip securing the front loadspace trim panel LH to the floor stowage compartment.
6. Install the lower turn fastener, securing the front loadspace trim panel to the floor stowage compartment.
7. Install the LH finisher trim panel.
- Install the turn fasteners.

8. Install the luggage tie down ring.
- Tighten the bolt to 25 Nm (18 lb.ft).

9. Lower and secure the spare tire loadspace trim panel.
10. Install the loadspace trim panel, floor stowage compartment LH access cover.
11. Install the access panel to the loadspace trim panel LH.
12. Connect the battery ground cable.
13. Using the Land Rover approved diagnostic system, follow the on-screen instructions and configure the information and entertainment module.