Manuals through 2025 now available!
Our trusted friends have launched a new website named LEMON, which has newer manuals. It also contains all the CHARM manuals.
LEMON is the spiritual successor to CHARM, I recommend you try it!
Link:
lemon-manuals.la or
lemon-manuals.org.ua
(Some people have issue connecting. LEMON is investigating. For now, use Firefox or change your DNS server)
Or, hide this message:
temporarily or
permanently
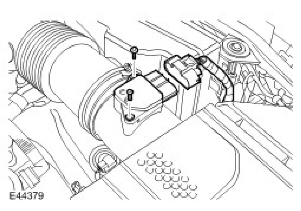
Air Flow Meter/Sensor: Service and Repair
Mass Air Flow (MAF) Sensor
Service Repair No - 19.22.25Removal 1.
Disconnect the battery ground cable.
2.
Remove the MAF sensor.
^
Disconnect the electrical connector.
^
Remove the 2 screws.
Installation 1.
To install, reverse the removal procedure.
^
Tighten Torx screws to
2 Nm (1.5 ft. lbs.).