Operation CHARM: Car repair manuals for everyone.
Manuals through 2025 now available!

Our trusted friends have launched a new website named LEMON, which has newer manuals. It also contains all the CHARM manuals.

LEMON is the spiritual successor to CHARM, I recommend you try it!

Link: lemon-manuals.la or lemon-manuals.org.ua

(Some people have issue connecting. LEMON is investigating. For now, use Firefox or change your DNS server)

Or, hide this message: temporarily or permanently

Positive Crankcase Ventilation (PCV) System Monitoring



Positive Crankcase Ventilation (PCV) System Monitoring

Description
All engines detailed in this document have crankcase ventilation valves that are securely fastened to the engine.

Disconnection of the hose that runs between the valve and the intake manifold will result in the engine becoming very unstable at idle with a tendency to stalling. The OBD system will detect a fuel system fault due to the un-metered air that enters the intake manifold.

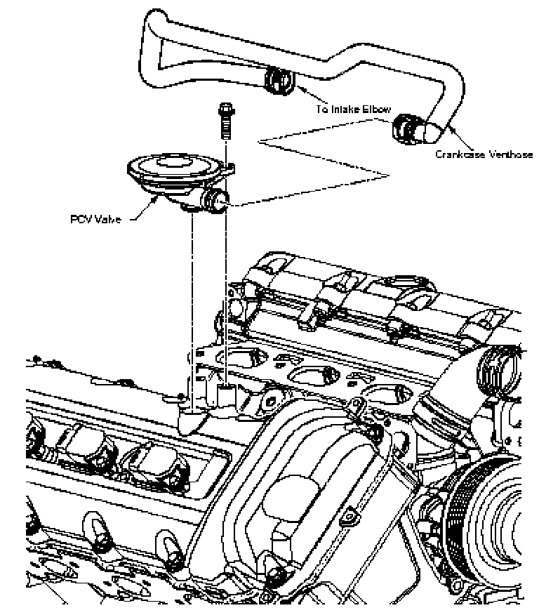
PCV Valve Location and Fixing (4.4L V8)

PCV Valve Location and Fixing (V8):





PCV Valve Location and Fixing (4.2L V8 Supercharged)

PCV Valve Location and Fixing (V8 Supercharged):