Operation CHARM: Car repair manuals for everyone.
Manuals through 2025 now available!

Our trusted friends have launched a new website named LEMON, which has newer manuals. It also contains all the CHARM manuals.

LEMON is the spiritual successor to CHARM, I recommend you try it!

Link: lemon-manuals.la or lemon-manuals.org.ua

(Some people have issue connecting. LEMON is investigating. For now, use Firefox or change your DNS server)

Or, hide this message: temporarily or permanently

Steering Column Lock and Ignition Switch Housing


Steering Column Lock and Ignition Switch Housing

Service Repair No - 57.40.31


Removal

CAUTION: If the ignition lock cylinder and switch are both removed from the ignition switch assembly, the assembly shaft MUST NOT be rotated. Failure to comply will cause the incorrect operation of the lock, and the assembly must be replaced.

1. Fully extend the steering column for access.
2. Disconnect the battery ground cable.
3. Remove the steering wheel.





4. Remove the steering column upper shroud.
^ Release the 6 clips.

5. Remove the steering column lower shroud.
^ Remove the 3 Torx screws.
^ Disconnect the electrical connector.





6. Disconnect the 2 electrical connectors from the steering column multifunction switches.





7. Disconnect the 2 electrical connectors from the clockspring.





8. Remove the steering column switch assembly.
^ Remove the 4 Torx bolts.





9. Remove the passive coil.
^ Disconnect the electrical connector.
^ Release the 2 clips.





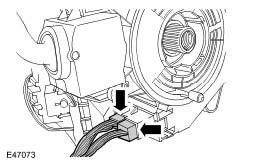
10. Remove the ignition switch assembly.
^ Remove and discard the 2 shear bolts.
^ Disconnect the electrical connector.





11. CAUTION: If the ignition lock cylinder and switch are both removed from the ignition switch assembly, the assembly shaft MUST NOT be rotated. Failure to comply will cause the incorrect operation of the lock, and the assembly must be replaced.

NOTE: Do not disassemble further if the component is removed for access only.

Remove the ignition lock cylinder.
^ Turn the ignition key to position 1.
^ Insert a pin, not exceeding 2 mm diameter, through the access hole in the ignition lock cylinder housing to depress the plunger, and release the ignition lock cylinder.





12. Remove the ignition switch.
^ Depress the 2 clips.





Installation
1. Install the ignition switch.
^ Secure with the clips.

2. Install the ignition lock cylinder.
^ Turn the ignition key to position 1.
^ Locate into guides and depress the plunger.





3. Install the passive coil.
^ Secure the clips.
^ Connect the electrical connector.

4. Install the ignition switch assembly.
^ Tighten the shear bolts until the heads shear off.
^ Connect the electrical connector.

5. Install the steering column switch assembly.
^ Tighten the Torx bolts to 3 Nm (2 ft. lbs.).

6. Connect the clockspring and multifunction switch electrical connectors.
7. Install the steering column shrouds.
^ Connect the electrical connector.
^ Tighten the Torx screws.
^ Secure the clips.

8. Install the steering wheel.
9. Connect the battery ground cable.