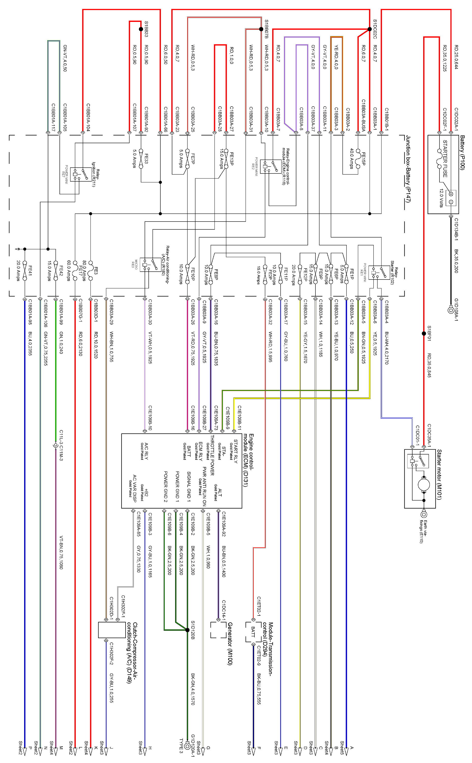
Electronic Engine Controls (Part 1)
ELECTRONIC ENGINE CONTROLS
Next Diagram Electronic Engine Controls (Part 2)
Locations: The location views for connectors and components depicted within these diagrams can be found via the connector's base number (i.e. C0570) at Vehicle/Locations/Connectors. Connector Locations
Connector Views: The connector pin out views for connectors depicted within these diagrams can be found via the connector's base number (i.e. C0570) at Vehicle/Diagrams/Connector Views. Connector Views