Operation CHARM: Car repair manuals for everyone.
Manuals through 2025 now available!

Our trusted friends have launched a new website named LEMON, which has newer manuals. It also contains all the CHARM manuals.

LEMON is the spiritual successor to CHARM, I recommend you try it!

Link: lemon-manuals.la or lemon-manuals.org.ua

(Some people have issue connecting. LEMON is investigating. For now, use Firefox or change your DNS server)

Or, hide this message: temporarily or permanently

Compressor HVAC: Service and Repair





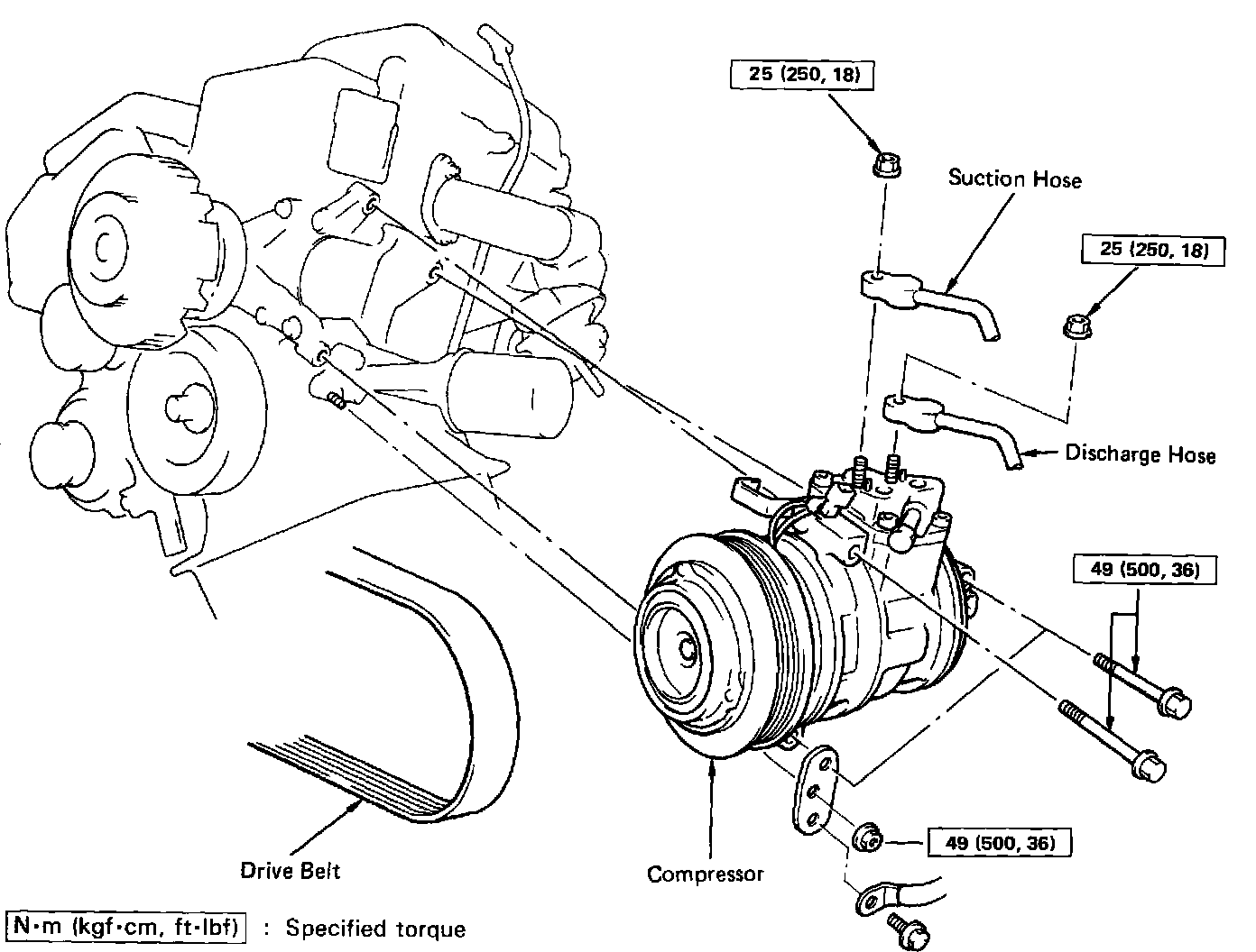
Removal of Compressor

1. RUN ENGINE AT IDLE SPEED WITH A/C ON FOR APPROX. TEN MINUTES

2. STOP ENGINE

3. REMOVE BATTERY

4. RECOVER REFRIGERANT IN REFRIGERATION SYSTEM





5. REMOVE DISCHARGE HOSE AND SUCTION HOSE FROM COMPRESSOR
Remove the two nuts and the both hoses.

NOTICE: Cap the open fittings immediately to keep moisture out the system.

6. REMOVE DRIVE BELT





7. REMOVE COMPRESSOR
(a) Remove the earth wire harness set bolt.
(b) Remove the nut, three bolts, bracket and the compressor.





Installation of Compressor

1. INSTALL COMPRESSOR
(a) Install the compressor with the bracket, nut and the three bolts.

Specified torque:
Bolts 49 N.m (500 kgf.cm, 36 ft.lbf)
Nut 29 N.m (300 kgf.cm, 22 ft.lbf)


(b) Install the earth wire harness with the bolts.

2. INSTALL DRIVE BELT

3. CONNECT DISCHARGE HOSE AND SUCTION HOSE TO COMPRESSOR

NOTICE: Hoses should be connected immediately after the caps have been removed.

Specified torque: 25 N.m (250 kgf.cm, 18 ft.lbf)

4. CONNECT CONNECTOR TO MAGNETIC CLUTCH

5. INSTALL BATTERY

6. EVACUATE AIR IN REFRIGERATION SYSTEM AND CHARGE WITH REFRIGERANT

Specified amount: 1,050 g (2.3 lb)

7. INSPECT FOR LEAKAGE OF REFRIGERANT
Using a gas leak tester, check for leakage of refrigerant. If there is leakage, check the tightening torque at the joints.

8. INSPECT A/C OPERATION