Operation CHARM: Car repair manuals for everyone.
Manuals through 2025 now available!

Our trusted friends have launched a new website named LEMON, which has newer manuals. It also contains all the CHARM manuals.

LEMON is the spiritual successor to CHARM, I recommend you try it!

Link: lemon-manuals.la or lemon-manuals.org.ua

(Some people have issue connecting. LEMON is investigating. For now, use Firefox or change your DNS server)

Or, hide this message: temporarily or permanently

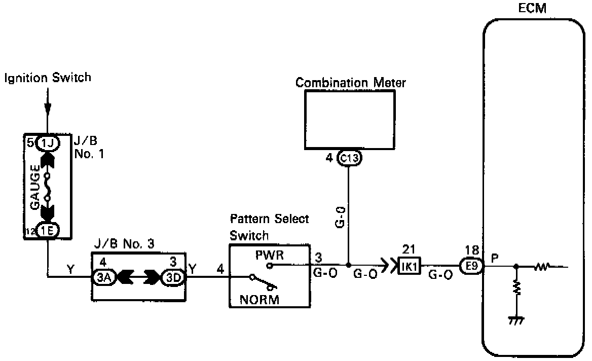
Pattern Select Switch Circuit

CIRCUIT DESCRIPTION
The Engine Control Module (ECM) memory contains the shift programs for the NORMAL and POWER patterns, 2 position, and L position and the lockup patterns. Following the programs corresponding to the signals from the pattern select switch, the park/neutral position switch and other various sensors the ECM switches the solenoid valves ON and OFF, thereby controlling the transmission gear change and the lockup clutch operation.




DIAGNOSTIC CHART




WIRING DIAGRAM










INSPECTION PROCEDURE