Operation CHARM: Car repair manuals for everyone.
Manuals through 2025 now available!

Our trusted friends have launched a new website named LEMON, which has newer manuals. It also contains all the CHARM manuals.

LEMON is the spiritual successor to CHARM, I recommend you try it!

Link: lemon-manuals.la or lemon-manuals.org.ua

(Some people have issue connecting. LEMON is investigating. For now, use Firefox or change your DNS server)

Or, hide this message: temporarily or permanently

Installation








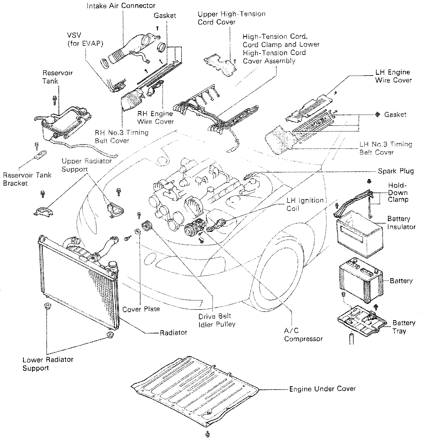
COMPONENTS

INSTALLATION OF TIMING BELT





1. Install crankshaft timing pulley.
(a) Align the pulley set key on the crankshaft with the key groove of the timing pulley.
(b) Using SST and a hammer, tap in the timing pulley, facing the flange side rearward. SST 09223-46011





2. Install No.1 idler pulley.
(a) Apply adhesive to two or three threads of the pulley bolt end.

Adhesive: Part No.08833-00080, THREE BOND 1344, LOCTITE 242 or equivalent

(b) Using a 10 mm hexagon wrench, install the plate washer and idler pulley with the pulley bolt. Torque the pulley bolt.

Torque: 34 Nm (350 kgf-cm, 25 ft-lbf)

(c) Check that the pulley bracket moves smoothly.





3. Install No.2 idler pulley.
(a) Install the idler pulley with the pulley bolt. Torque the pulley bolt.

Torque: 34 Nm (350 kgf-cm, 25 ft-lbf)

(b) Check that the idler pulley moves smoothly.

4. Temporarily install timing belt.

NOTICE: The engine should be cold.





(a) Using the crankshaft pulley bolt, turn the crankshaft and align the timing marks of the crankshaft timing pulley and oil pump body.
(b) Remove any oil or water on the crankshaft timing pulley, No.1 idler pulley and No.2 idler pulley, and keep them clean.





(c) Align the installation mark on the timing belt with the dot mark of the crankshaft timing pulley.
(d) Install the timing belt on the crankshaft timing pulley, No.1 idler pulley and No.2 idler pulley.





5. Install timing belt guide (No.1 crank angle sensor plate).
Install the belt guide, facing the cup side forward.





6. Install timing belt cover spacer.
(a) Install the gasket to the spacer.
(b) Install the spacer.





7. Install No.1 timing belt cover.
(a) Install the gasket to the timing belt cover.
(b) Install the timing belt cover with the four bolts.





8. Install hydraulic pump.
(a) Install the hydraulic pump and solenoid valve connector clamp and engine speed sensor wire clamp with the two bolts and two nuts.

Torque:
12 mm heads 16 Nm (160 kgf-cm, 12 ft-lbf)
Others 30 Nm (310 kgf-cm, 22 ft-lbf)


HINT: Each bolt length is indicated in the illustra4ion.

Bolt length:
A 106 mm (4.17 in.) for 12 mm head
B 114 mm (4.49 in.) for 14 mm head


(b) Connect the solenoid valve connector.

9. Install crankshaft pulley.
(a) Align the pulley set key on the crankshaft with the key groove of the pulley.





(b) Using SST and a hammer, tap in the pulley. SST 09223-46011





(c) Using SST, install and torque the pulley bolt. SST 09213-70010 and 09330-00021

Torque: 245 Nm (2,500 kgf-cm, 181 ft-lbf)





10. Install RH camshaft timing pulley.
(a) Align the knock pin on the camshaft with the knock pin groove of the timing pulley.
(b) Slide the timing pulley, facing the "R" mark forward.
(c) Using SST, install and torque the pulley bolt. SST 09278-54012

Torque: 108 Nm (1,100 kgfcm, 80 ft-lbf)





11. Install LH camshaft timing pulley.
(a) Align the knock pin on the camshaft with the knock pin groove of the timing pulley.
(b) Slide the timing pulley, facing the "L" mark forward.
(c) Using SST, install and torque the pulley bolt. SST 09278-54012

Torque: 108 Nm (1,100 kgf-cm, 80 ft-lbf)

12. Set No.1 cylinder to TDC/Compression.





(a) (Crankshaft Pulley Position)
Turn the crankshaft pulley, and align its groove with the "0" timing mark of the No.1 timing belt cover.





(b) (Camshaft Timing Pulley Position)
Using SST, turn the camshaft timing pulley, and align the timing marks of the camshaft timing pulley and timing belt rear plate. SST 09278-54012

13. Install timing belt to LH camshaft timing pulley.





(a) Align the installation mark on the timing belt with the end of the hydraulic pump.
(b) Remove any oil or water on the LH camshaft timing pulley, and keep it clean.





(c) Using SST, slightly turn the LH camshaft timing pulley clockwise. Align the installation mark on the timing belt with the timing mark of the camshaft timing pulley, and hang the timing belt on the LH camshaft timing pulley. SST 09278-54012





(d) Using SST, align the timing marks of the LH camshaft pulley and timing belt rear plate. SST 09278-54012
(e) Check that the timing belt has tension between the crankshaft timing pulley and LH camshaft timing pulley.

14. Install timing belt to RH camshaft timing pulley.
(a) Remove any oil or water on the RH camshaft timing and water pump pulley, and keep them clean.





(b) Using SST, slightly turn the RH camshaft timing pulley clockwise. Align the installation mark on the timing belt with the timing mark of the camshaft timing pulley, and hang the timing belt on the RH camshaft timing pulley. SST 09278-54012





(c) Using SST, align the timing marks of the RH camshaft pulley and timing belt rear plate. SST 09278-54012
(d) Check that the timing belt has tension between the RH camshaft timing pulley and LH camshaft pulley.

15. Set timing belt tensioner.
(a) Using a press, slowly press in the push rod using 981 9,807 N (100 - 1,000 kgf, 220 - 2,205 lbf) of pressure.





(b) Align the holes of the push rod and housing, pass a 1.27 mm hexagon wrench through the holes to keep the setting position of the push rod.
(c) Release the press.





(d) Install the dust boot to the tensioner.

16. Install timing belt tensioner.
(a) Temporarily install the tensioner with the two bolts.





(b) Alternately tighten the two bolts.

Torque: 26 Nm (270 kgf-cm 20 ft-lbf)





(c) Using pliers, remove the 1.27 mm hexagon wrench from the tensioner.

17. Check valve timing.





(a) Turn the crankshaft pulley two revolutions from TDC to TDC.

NOTICE: Always turn the crankshaft clockwise.





(b) Check that each pulley aligns with the timing marks as shown in the figure.
If the marks do not align, remove the timing belt and reinstall it.





18. Install spark plugs.
Using a 16 mm plug wrench, install the eight spark plugs.

Torque: 18 Nm (180 kgf-cm, 13 ft-lbf)





19. Install drive belt tensioner.
Install the tensioner with the bolt and two nuts.

Torque: 16 Nm (160 kgf-cm, 12 ft-lbf)

HINT: Use bolt 106 mm (4.17 in.) in length.





20. Install generator.
(a) Install the generator and A/T oil cooler pipe bracket with the bolt and nut.

Torque: 37 Nm (380 kgf-cm, 27 ft-lbf)

(b) Connect the generator connector.
(c) Connect the generator wire with the nut and cap.





21. Install RH distributor housing.
(a) Install the distributor housing with the three bolts.

Torque: 18 Nm (185 kgf-cm, 13 ft-lbf)

HINT:
- The RH distributor housing is marked with "R".
- Each bolt length is indicated in the illustration.

Bolt length:
A 38 mm (1.50 in.)
B 96 mm (3.78 in.)


(b) Connect the cam position sensor connector.





22. Install LH distributor housing.
(a) Install the distributor housing with the three bolts.

Torque: 18 Nm (185 kgf-cm, 13 ft-lbf)

HINT:
- The LH distributor housing is marked with "L".
- Each bolt length is indicated in the illustration.

Bolt length:
A 38 mm (1.50 in.)
B 80 mm (3.15 in.)






23. Install distributor rotors.
(a) Align the protrusion of the distributor rotor with the groove of the camshaft timing pulley.
(b) Install the distributor rotor with the two bolts. Install the two distributor rotors.

Torque: 3.8 Nm (39 kgf-cm, 34 in-lbf)





24. Install distributor caps.
Install the distributor cap with the three bolts. Install the two distributor caps.

Torque: 3.8 Nm (39 kgf-cm, 34 in-lbf)

25. Install RH No.2 timing belt cover.





(a) Install the four gaskets to the timing belt cover.
(b) Install the connector grommet to the timing belt cover.
(c) Install the timing belt cover with the five bolts.

Torque (12 mm head bolt): 16 Nm (160 kgf-cm, 12 ft-lbf)

HINT (12 mm head bolt): Use bolts 106 mm (4.17 in.) in length.





(d) Install the wire clamp to the timing belt cover.
(e) Install the cam position sensor connector to the ignition coil bracket.





26. Install LH No.2 timing belt cover.
(a) Install the two gaskets to the timing belt cover.
(b) Run the cam position sensor wire through the timing belt cover hole.
(c) Install the timing belt cover and connector bracket with the three bolts.
(d) Connect the cam position sensor connector.
(e) Install cam position sensor connector to connector bracket.
(f) Install the connector grommet to the timing belt cover hole.





27. Install drive belt idler pulley.
Install the idler pulley and cover plate with the pulley bolt.

Torque: 37 Nm (380 kgf-cm, 27 ft-lbf)

28. Install high-tension cords, high-tension cord clamp and lower high-tension cord cover assembly.





(a) Install the lower high-tension cord cover with the bolt.
(b) Connect the high-tension cord to RH ignition coil.
(c) Connect the four high-tension cord to the RH spark plugs.





(d) Install the RH rear and front high-tension cord clamps with the two bolts.

HINT: Place the front and rear ends of the front high- tension cord clamp on the rear high-tension cord clamp and lower high-tension cord cover.

(e) Connect the four high-tension cord to the LH spark plugs.





(f) Install the LH rear and front high-tension cord clamps with the two bolts.

HINT: Place the front and rear ends of the front high- tension cord clamp on the rear high-tension cord clamp and lower high-tension cord cover.

(g) Fit the high-tension cords to the high-tension cord clamp.





29. Install RH No.3 timing belt cover.
(a) Install the three gaskets to the timing belt cover.
(b) Fit portion A of the timing belt cover, matching it with the lower high-tension cord cover.
(c) Install the timing belt cover with the three bolts.





30. Install VSV for EVAP system.
Install the VSV with the two bolts.





31. Install LH No.3 timing belt cover.
(a) Install the three gaskets to the timing belt cover.
(b) Install the cord grommet to the high-tension cord.
(c) Install the cord grommet to the timing belt cover.
(d) Fit portion A of the timing belt cover, matching it with the lower high-tension cord cover.
(e) Install the timing belt cover with the four bolts.





32. Install RH engine wire cover.
(a) Fit portions A and B of the engine wire cover, matching them with the lower high-tension cord cover and No.3 timing belt cover.
(b) Install the engine wire cover with the bolt.





33. Install LH engine wire cover.
(a) Connect portions A and B of the engine wire cover to the wire cover brackets.
(b) Set the VSV (for fuel pressure control system) wire in original position.
(c) Fit portions C and 0 of the engine wire cover, matching them with the lower high-tension cord cover and No.3 timing belt cover.
(b) Install the engine wire cover with the two bolts.

34. Install upper high-tension cord cover.





(a) Fit portion A of the upper high-tension cover, matching it with the top of the lower high-tension cord cover.





(b) Push the front side of the high-tension cord cover, and connect the front side claw groove of the upper high~tension cord cover to the claw of the lower high-tension cord cover.
(c) Install the upper high-tension cord cover with the two bolts.

35. Install LH ignition coil.





(a) Install the ignition coil with the two bolts.





(b) Connect the following connectors and cord:
(1) Ignition coil connector
(2) Noise filter connector
(3) High-tension cord

36. Install intake air connector.
(a) Connect the end portions of the intake air connector to the throttle body and air cleaner hose.





(b) Tighten the two hose clamps.
(c) Install the bolt holding the intake air connector to the cylinder head cover.





(d) Connect the following hoses:
(1) Air hose to IAC valve.
(2) Air hose (from PS air control valve) to intake air connector.





37. Install A/C compressor.
(a) Install the A/C compressor, compressor stay and ground cable with the three bolts and nut.

Torque:
Bolt 49 Nm (500 kgf-cm, 36 ft-lbf)
Nut 29 Nm (300 kgf-cm, 22 ft-lbf)


(b) Connect the A/C compressor connector.





38. Install radiator and reservoir tank.





39. Install drive belt.
Install the drive belt by turning the drive belt tensioner counterclockwise.

HINT: The pully bolt for the belt tensioner has a left-hand thread.





40. Install battery.
41. Fill with engine coolant.
42. Check ignition timing.

Ignition timing: 8-12° BTDC @ idle
(w/ Terminals TE1 and E1 connected)

43. Install engine under cover.