Operation CHARM: Car repair manuals for everyone.
Manuals through 2025 now available!

Our trusted friends have launched a new website named LEMON, which has newer manuals. It also contains all the CHARM manuals.

LEMON is the spiritual successor to CHARM, I recommend you try it!

Link: lemon-manuals.la or lemon-manuals.org.ua

(Some people have issue connecting. LEMON is investigating. For now, use Firefox or change your DNS server)

Or, hide this message: temporarily or permanently

Knock Sensor: Testing and Inspection












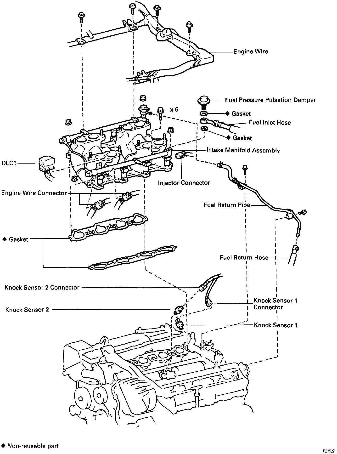
COMPONENTS FOR REMOVAL AND INSTALLATION


1. REMOVE AIR INTAKE CHAMBER ASSEMBLY

2. REMOVE INTAKE MANIFOLD ASSEMBLY





3. REMOVE KNOCK SENSOR
- Disconnect the knock sensor connectors.
- Using SST, remove the 2 knock sensors.
SST 09816-30010





4. INSPECT KNOCK SENSOR.
- Using an ohmmeter, check that there is no continuity between the terminal and body.
- If there is continuity, replace the sensor.





5. REINSTALL KNOCK SENSOR.
- Using SST, install the 2 knock sensors.
SST 09816-30010

Torque: 44 N.m (450 kgf.cm, 33 ft.lb.)

- Connect the knock sensor connectors.
6. REINSTALL INTAKE MANIFOLD ASSEMBLY.

7. REINSTALL AIR INTAKE CHAMBER ASSEMBLY.

8. CHECK FOR FUEL LEAKS.