Distributor: Service and Repair
COMPONENTS FOR REMOVAL AND INSTALLATION
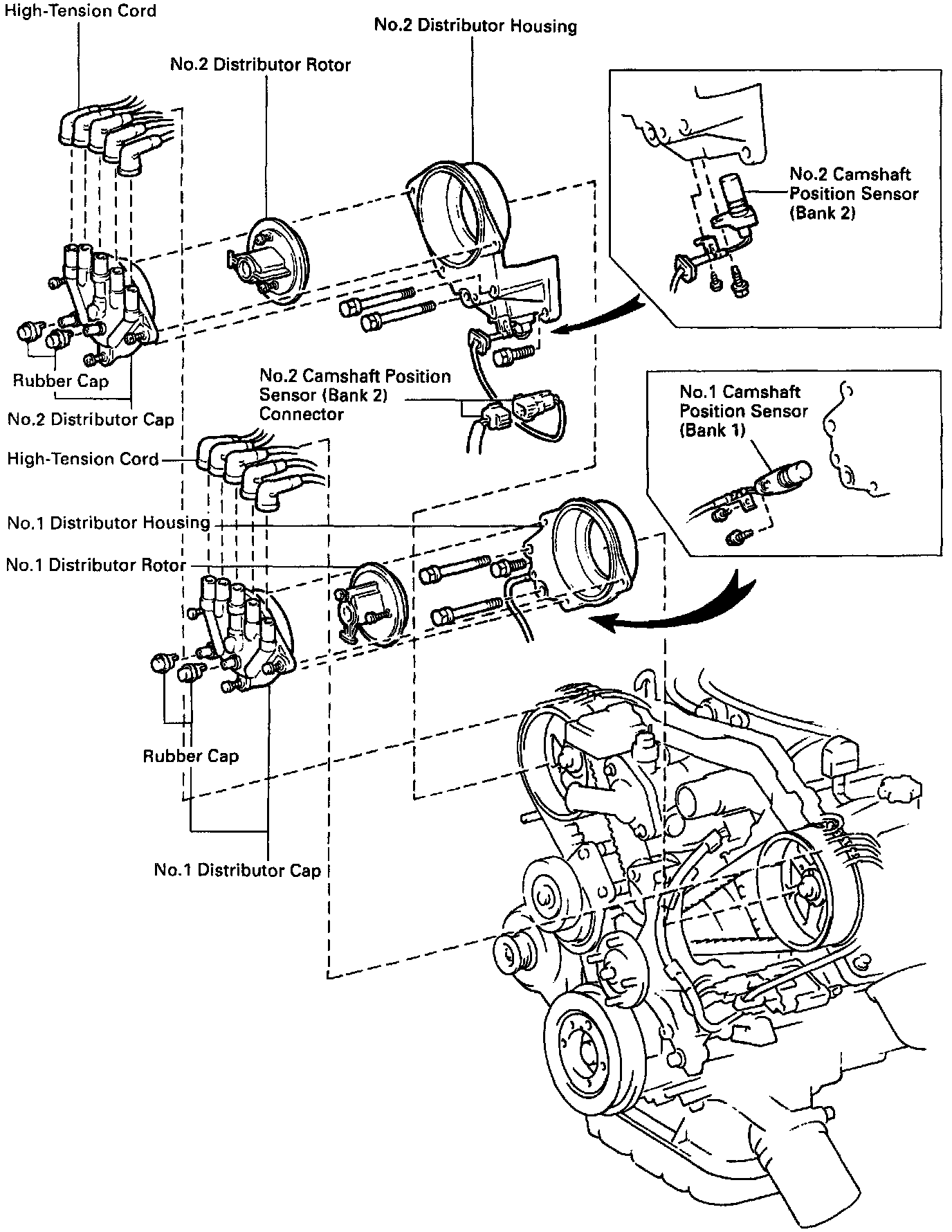
DISTRIBUTOR REMOVAL
1. REMOVE NO.2 TIMING BELT COVERS
2. DISCONNECT HIGH-TENSION CORDS FROM DISTRIBUTOR CAPS
3. REMOVE DISTRIBUTOR CAPS
- Loosen the 3 bolts. and remove the distributor cap.
- Remove the 2 distributor caps.
HINT: Arrange the distributor caps (No.1 and No.2).
- Remove the 2 rubber caps from each distributor cap.
4. REMOVE DISTRIBUTOR ROTORS
- Loosen the 2 bolts, and remove the distributor rotor.
- Remove the 2 distributor rotors.
HINT: Arrange the distributor rotors (No.1) and (No.2).
5. REMOVE DISTRIBUTOR HOUSINGS
- No.2 Distributor Housing:
- Disconnect the camshaft position sensor connector.
- Remove the 3 bolts and distributor housing.
- Remove the 2 distributor housings.
6. REMOVE CAMSHAFT POSITION SENSORS FROM DISTRIBUTOR HOUSINGS
- Remove the bolt, screw and camshaft position sensor.
- Remove the 2 camshaft position sensors.
DISTRIBUTOR INSTALLATION
1. INSTALL CAMSHAFT POSITION SENSORS TO DISTRIBUTOR HOUSINGS
- Install the camshaft position sensor with the bolt and screw.
- Install the 2 camshaft position sensors.
Torque: 3.8 N.m (39 kgf.cm, 34 in.lbf)
HINT:
- The No.1 distributor housing is marked with "L".
- The No.2 distributor housing is marked with "R".
2. INSTALL NO.1 DISTRIBUTOR HOUSING
- Install the distributor housing with the 3 bolts.
Torque: 18 N.m (185 kgf.cm, 13 ft.lbf)
HINT:
- The No.1 distributor housing is marked with "L".
- Each bolt length is indicated in the illustration.
Bolt length:
A 38 mm (1.50 in.)
B 80 mm (3.15 in.)
3. INSTALL NO.2 DISTRIBUTOR HOUSING
- Install the distributor housing with the 3 bolts.
Torque: 18 N.m (185 kgf.cm, 13 ft.lbf)
HINT:
- The No.2 distributor housing is marked with R".
- Each bolt length is indicated in the illustration.
Bolt length:
A 38 mm (1.50 in.)
B 96 mm (3.78 in.)
4. INSTALL DISTRIBUTOR ROTORS
- Align the protrusion of the distributor rotor with the groove of the camshaft timing pulley.
- Install the distributor rotor with the 2 bolts.
- Install the 2 distributor rotors.
Torque: 3.8 N.m (39 kgf.cm, 34 in.lbf)
5. INSTALL DISTRIBUTOR CAPS
- Install the distributor cap with the 3 bolts.
- Install the 2 distributor caps.
Torque: 3.8 N.m (39 kgf.cm, 34 in.lbf)
- Install the 2 rubber caps to each distributor cap.
6. CONNECT HIGH-TENSION CORDS TO DISTRIBUTOR CAPS
7. INSTALL NO.2 TIMING BELT COVERS
8. CHECK IGNITION TIMING