Operation CHARM: Car repair manuals for everyone.
Manuals through 2025 now available!

Our trusted friends have launched a new website named LEMON, which has newer manuals. It also contains all the CHARM manuals.

LEMON is the spiritual successor to CHARM, I recommend you try it!

Link: lemon-manuals.la or lemon-manuals.org.ua

(Some people have issue connecting. LEMON is investigating. For now, use Firefox or change your DNS server)

Or, hide this message: temporarily or permanently

Installation

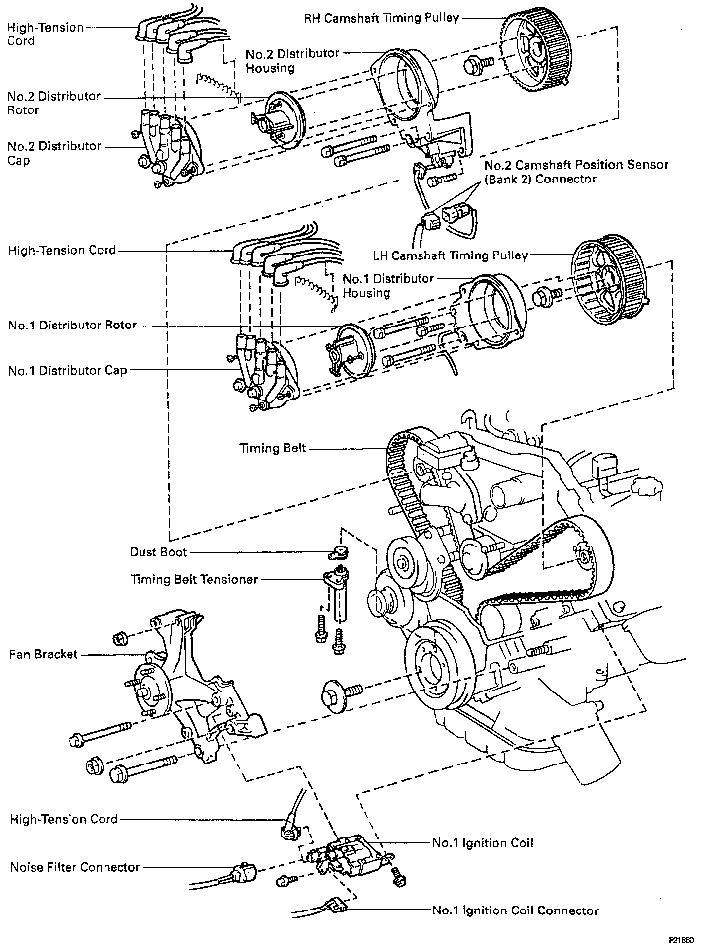
Components For Timing Belt System Removal And Installation (Part 1 Of 4):




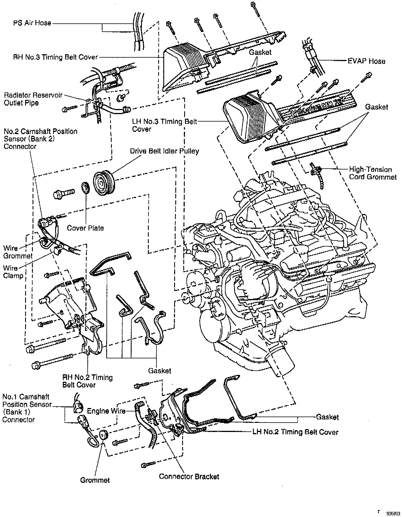
Components For Timing Belt System Removal And Installation (Part 2 Of 4):




Components For Timing Belt System Removal And Installation (Part 3 Of 4):




Components For Timing Belt System Removal And Installation (Part 4 Of 4):






1. Install timing belt to crankshaft timing pulley and idler pulleys as follows:
NOTE: The engine should be cold.
(a) Remove any oil or water on the crankshaft pulley, water pump pulley, No.1 idler pulley and No.2 idler pulley, and keep them clean.
NOTE: Only wipe the pulleys; do not use any cleansing agent.



(b) Align the installation mark on the timing belt with the timing mark of the crankshaft timing pulley.
(c) Install the timing belt on the crankshaft timing pulley, No.1 idler pulley and No.2 idler pulley.




2. Install the timing belt cover spacer and gasket.




3. Install the timing belt guide, facing the cup side outward.
4. Install the No.1 timing timing belt cover and gasket with the four bolts.
5. Install crankshaft pulley as follows:
(a) Align the pulley set key with the key groove of the crankshaft pulley.



(b) Using Special Service Tool (SST No. 09223-46011), or equivalent, crankshaft oil seal/pulley driver and a suitable hammer, tap in the crankshaft pulley.

6. Install the drive belt tensioner with a bolt 106 mm (4.18 in) long and two nuts, tighten to 16 Nm (160 kg.cm, 12 ft.lb).

7. Install the alternator.




8. Check that the timing mark of the crankshaft pulley is aligned with the centers of the crankshaft pulley and the idler pulley bolt.
9. Install LH camshaft timing pulley as follows:



(a) Align the camshaft knock pin with the knock pin groove of the timing pulley, and slide on the timing pulley.
(b) Slide the timing pulley on the camshaft, facing the "L" mark forward.
(c) Using variable pin wrench (SST No. 09960-10010), or equivalent, install the pulley bolt, then tighten to 108 Nm (1.100 kg.cm, 80 ft.lb).

10. Install RH camshaft timing pulley as follows:



(a) Align the camshaft knock pin with the knock pin groove of the timing pulley, and slide on the timing pulley.
(b) Slide the timing pulley on the camshaft, facing the "R" mark forward.
(c) Using SST variable pin wrench, install the pulley bolt, then tighten to 108 Nm (1,100 kg.cm, 80 ft.lb).

11. Connect timing belt to LH camshaft timing pulley as follows:
(a) Remove any oil or water on the LH camshaft timing pulley, and keep it clean.
NOTE: Only wipe the pulleys; do not use any cleansing agent.



(b) Using SST variable pin wrench, turn the LH camshaft timing pulley. Align the installation mark on the timing belt with the timing mark of the camshaft timing pulley, and hang the timing belt on the LH camshaft timing pulley.



(c) Using SST variable pin wrench, turn the LH camshaft timing pulley counterclockwise until there is tension between the crankshaft timing pulley and LH camshaft timing pulley.

12. Connect timing belt to RH camshaft timing pulley as follows:
(a) Remove any oil or water on the RH camshaft timing pulley and water pump pulley, and keep them clean.
NOTE: Only wipe the pulleys; do not use any cleansing agent.



(b) Using SST variable pin wrench, turn the RH camshaft timing pulley. Align the installation mark on the timing belt with the timing mark of the camshaft timing pulley, and hang the timing belt on the RH camshaft timing pulley.

13. Set timing belt tensioner for installation as follows:



(a) Using a press, slowly press in the push rod using do not exceed 981-9,807 N (100-1,000 kg, 220-2,205 lbs) of pressure.
(b) Align the holes of the push rod and housing, pass a 1.27 mm hexagon (Allen) wrench through the holes to keep the setting position of the push rod.
(c) Release the press.
(d) Install the dust boot to the belt tensioner.

14. Install timing belt tensioner as follows:



(a) Install the belt tensioner with the two bolts hand tight.
(b) Alternately tighten the two bolts, final tighten to 26 Nm (270 kg cm, 19 ft.lb).
(c) Using pliers, remove the 1.27 mm hexagon (Allen) wrench from the belt tensioner.

15. Check valve timing as follows:
(a) Install the crankshaft pulley bolt hand tight.
(b) Slowly turn the crankshaft pulley in a clockwise direction two revolutions from TDC to TDC.
NOTE: Always turn the crankshaft pulley clockwise.






(c) Check that each pulley aligns with the timing marks as shown in the illustrations.
(d) If the timing marks do not align, remove the timing belt and reinstall it.




16. Using crankshaft pulley holder (SST No. 09213-54015) and companion flange holder (SST No. 09330-00021), or equivalent, tighten the pulley bolt to 245 Nm (2,500 kg.cm, 181 ft.lb).




17. Install the fan bracket with the two bolts and two nuts positioned as shown in the illustration, tighten as follows:
For (A); 106 mm (4.17 in); 12 mm head: 16 Nm (160 kg.cm, 12 ft.lb)
For (B); 114 mm (4.49 in); 14 mm head: 32 Nm (330 kg.cm, 24 ft.lb).





18. (a) Install the A/C compressor, compressor stay and wire bracket with the three bolts and nut,
Bolts: 49 Nm (500 kg.cm, 36 ft.lb)
Nut: 29 Nm (300 kg.cm, 22 ft.lb)

then connect the following components:
- Ground cable to the compressor stay with the bolt.
- Wire clamp to the bracket on the A/C compressor.
- A/C compressor connector.

19. Install No.1 ignition coil, refer to Powertrain Management.
20. Install distributor housings, refer to Powertrain Management.
21. Install RH No.2 timing belt cover as follows:



(a) Install the four gaskets to the timing belt cover.
(b) Install the wire grommet to the timing belt cover.
(c) Fit the timing belt cover, matching it with the fan bracket.
(d) Fit the timing belt cover holes, matching them with the two grommets on the distributor.
(e) Install the timing belt cover with the four bolts, tighten 12 mm x 106 mm (4.170 in) in length bolts to 16 Nm (160 kg.cm, 12 ft.lb).
(f) Install the No.2 camshaft position sensor wire to the wire clamp on the timing belt cover.
(g) Install the wire clamp to the timing belt cover.
(h) Install the sensor connector to the ignition coil bracket.
(i) Install the radiator reservoir outlet pipe to the RH cylinder head and timing belt cover with the two bolts.
(j) Connect the outlet hose to the water inlet housing.

22. Install LH No.2 timing belt cover as follows:



(a) Install the two gaskets to the timing belt cover.
(b) Run the No.1 camshaft position sensor wire through the timing belt cover hole.
(c) Fit the timing belt cover, matching it with the fan bracket.
(d) Fit the timing belt cover holes, matching them with the two grommets on the distributor.
(f) Install the timing belt cover and connector bracket with the three bolts.
(g) Install the wire grommet to the timing belt cover.
(h) Install the sensor connector to the connector bracket. Connect the sensor connector.
(i) Install the sensor wire to the wire clamp on the timing belt cover.
(j) Install the engine wire to the two wire clamps on the timing belt cover.
23. Install the drive belt idler pulley and cover plate with the bolt, tighten to 37 Nm (380 kg.cm, 27 ft.lb).

24. Install RH No.3 timing belt cover as follows:



(a) Install the two gaskets to the timing belt cover.
(b) Fit the portion A of the timing belt cover, matching it with the lower high-tension cord cover.
(c) Install the timing belt cover with the four bolts.
(d) Install the two air control valve hoses of the PS pump to the hose clamp on the timing belt cover.

25. Install LH No.3 timing belt cover as follows:



(a) Install the two gaskets to the timing belt cover.
(b) Install the cord grommet to the high-tension cord (from the LH ignition coil).
(c) Install the cord grommet to the timing belt cover.
(d) Fit the portion A of the timing belt cover, matching it with the lower high-tension cord cover.
(e) Install the timing belt cover with the four bolts.
(f) Install the EVAP hose clamp to the timing belt cover.

26. Install radiator assembly as follows:



(a) Install the two lower radiator supports to the radiator.



(b) Place the radiator assembly on the body bracket.
(c) Install the radiator with the two upper radiator supports and two nuts, tighten to 13.5 Nm (135 kg.cm, 10 ft.lb).
(d) Install the upper sides of the RH and LH cool air ducts.
(e) Connect the ECT switch connector for the A/C cooling fan.



NOTE: After installation, check that the rubber cushion (A) of the support is depressed.




(f) Connect the claw of the No.2 fan shroud to the hook of the No.1 fan shroud, then install the two clips.
(g) Connect these hoses to the radiator:
- Upper radiator hose
- Lower radiator hose
- The two A/T oil cooler hoses
- Radiator reservoir hose

27. Install fan pulley, fan, fluid coupling and drive belt as follows:



(a) Install the fan pulley, the fan, fluid coupling assembly with the four nuts hand tight.
(b) Install the drive belt.
(c) Tighten the four nuts holding the fluid coupling to the fan bracket to 21 Nm (215 kg.cm, 16 ft.lb).

28. Install air cleaner and intake air connector assembly.
29. Install V-bank cover.
30. Fill with engine coolant.
31. Start engine and check for leaks.
32. Check engine coolant level.
33. Install air cleaner inlet.
34. Install battery clamp cover.
35. Install engine under cover.
36. Install oil pan protector.