Operation CHARM: Car repair manuals for everyone.
Manuals through 2025 now available!

Our trusted friends have launched a new website named LEMON, which has newer manuals. It also contains all the CHARM manuals.

LEMON is the spiritual successor to CHARM, I recommend you try it!

Link: lemon-manuals.la or lemon-manuals.org.ua

(Some people have issue connecting. LEMON is investigating. For now, use Firefox or change your DNS server)

Or, hide this message: temporarily or permanently

Inspection Procedure Using OBDII Scan Tool





Circuit Description
The ECM turns on a VSV (Vacuum Switching Valve) to draw the air into the diaphragm chamber of the pressure regulator if it detects that the temperature of the engine coolant is too high during engine starting.
The air drawn into the chamber increases the fuel pressure to prevent fuel vapor lock at high engine temperature in order to help the engine start when it is warm.
Fuel pressure control ends approx. 150 seconds after the engine is started.





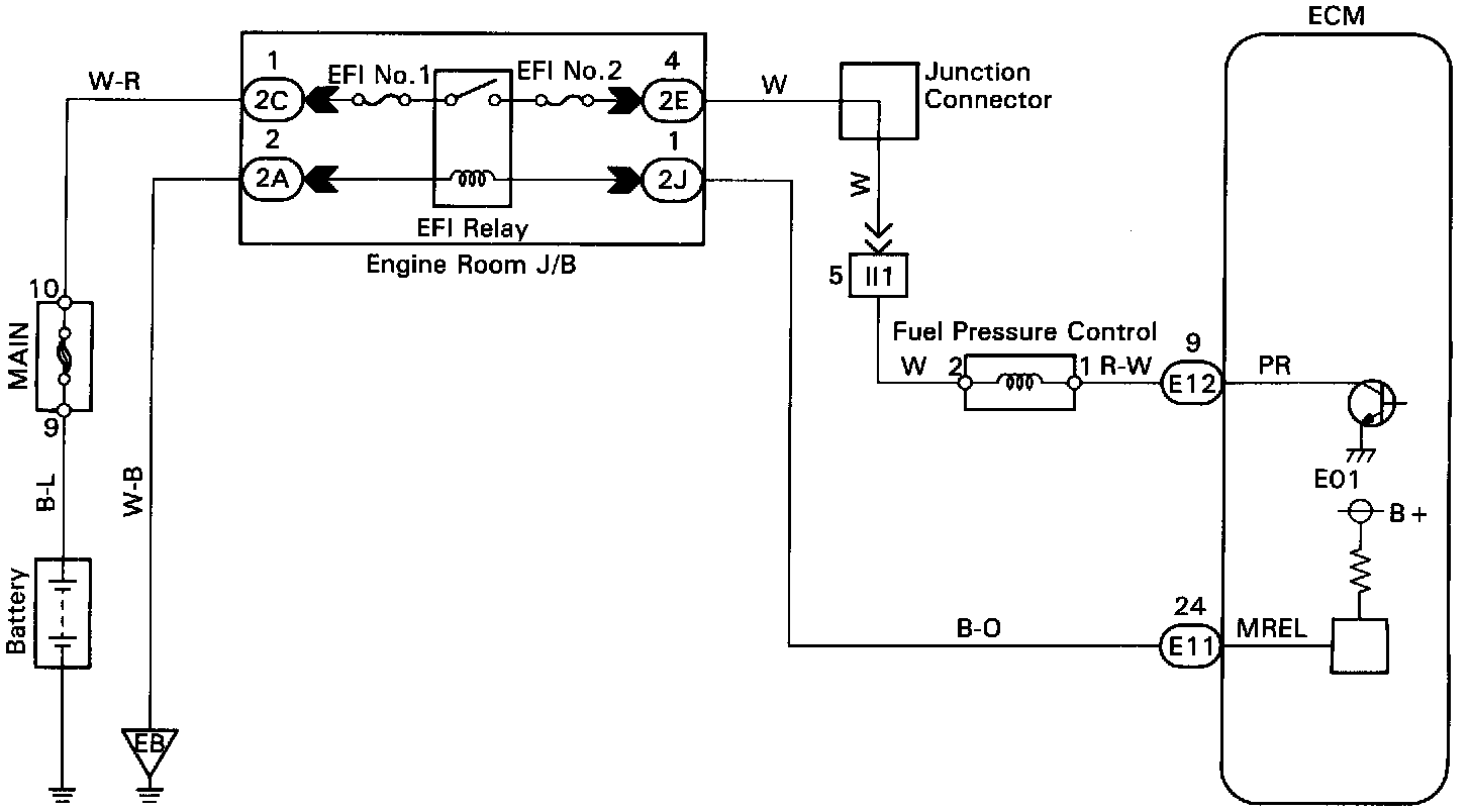
Wiring Diagram











Inspection Procedure