Operation CHARM: Car repair manuals for everyone.
Manuals through 2025 now available!

Our trusted friends have launched a new website named LEMON, which has newer manuals. It also contains all the CHARM manuals.

LEMON is the spiritual successor to CHARM, I recommend you try it!

Link: lemon-manuals.la or lemon-manuals.org.ua

(Some people have issue connecting. LEMON is investigating. For now, use Firefox or change your DNS server)

Or, hide this message: temporarily or permanently

Cylinder Head Assembly





UNDERHOOD VIEW





EXHAUST PIPE, PS PUMP AND HO2S





RIGHT AND LEFT NO.3 TIMING BELT COVERS





TIMING BELT TENSIONER, RIGHT AND LEFT CAMSHAFT TIMING BELT PULLEYS





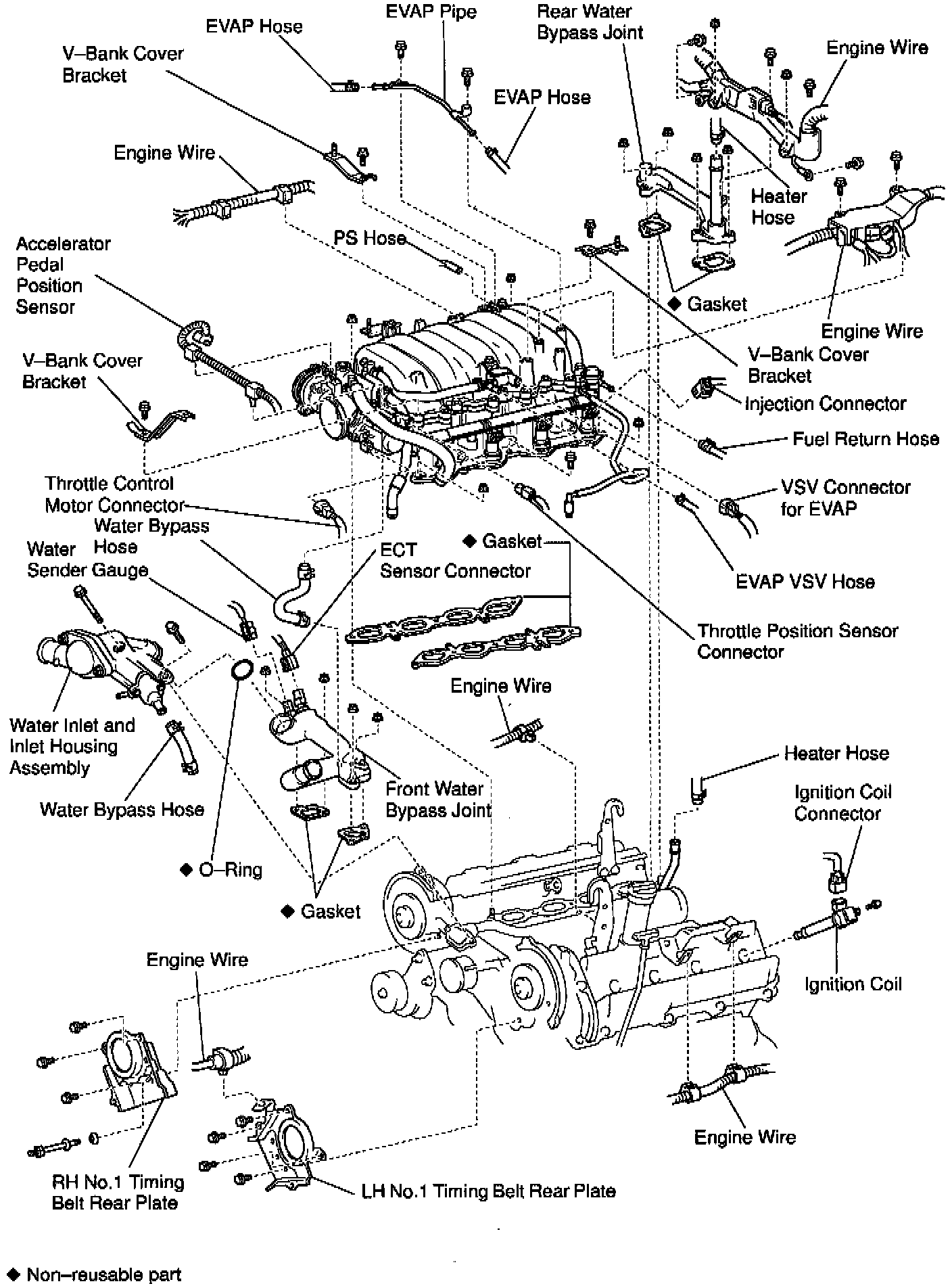
INTAKE MANIFOLD





CYLINDER HEAD, AND CAMSHAFT ASSEMBLIES





VALVE, CYLINDER HEAD AND EXHAUST MANIFOLDS