Operation CHARM
: Car repair manuals for everyone.
Home
>>
Lexus
>>
1998
>>
LX 470 V8-4.7L (2UZ-FE)
>>
Repair and Diagnosis
>>
Diagrams
>>
Exploded Views
>>
Engine
>>
System Diagram
Manuals through 2025 now available!
Our trusted friends have launched a new website named LEMON, which has newer manuals. It also contains all the CHARM manuals.
LEMON is the spiritual successor to CHARM, I recommend you try it!
Link:
lemon-manuals.la
or
lemon-manuals.org.ua
(Some people have issue connecting. LEMON is investigating. For now, use Firefox or change your DNS server)
Or, hide this message:
temporarily
or
permanently
System Diagram
UNDERHOOD VIEW
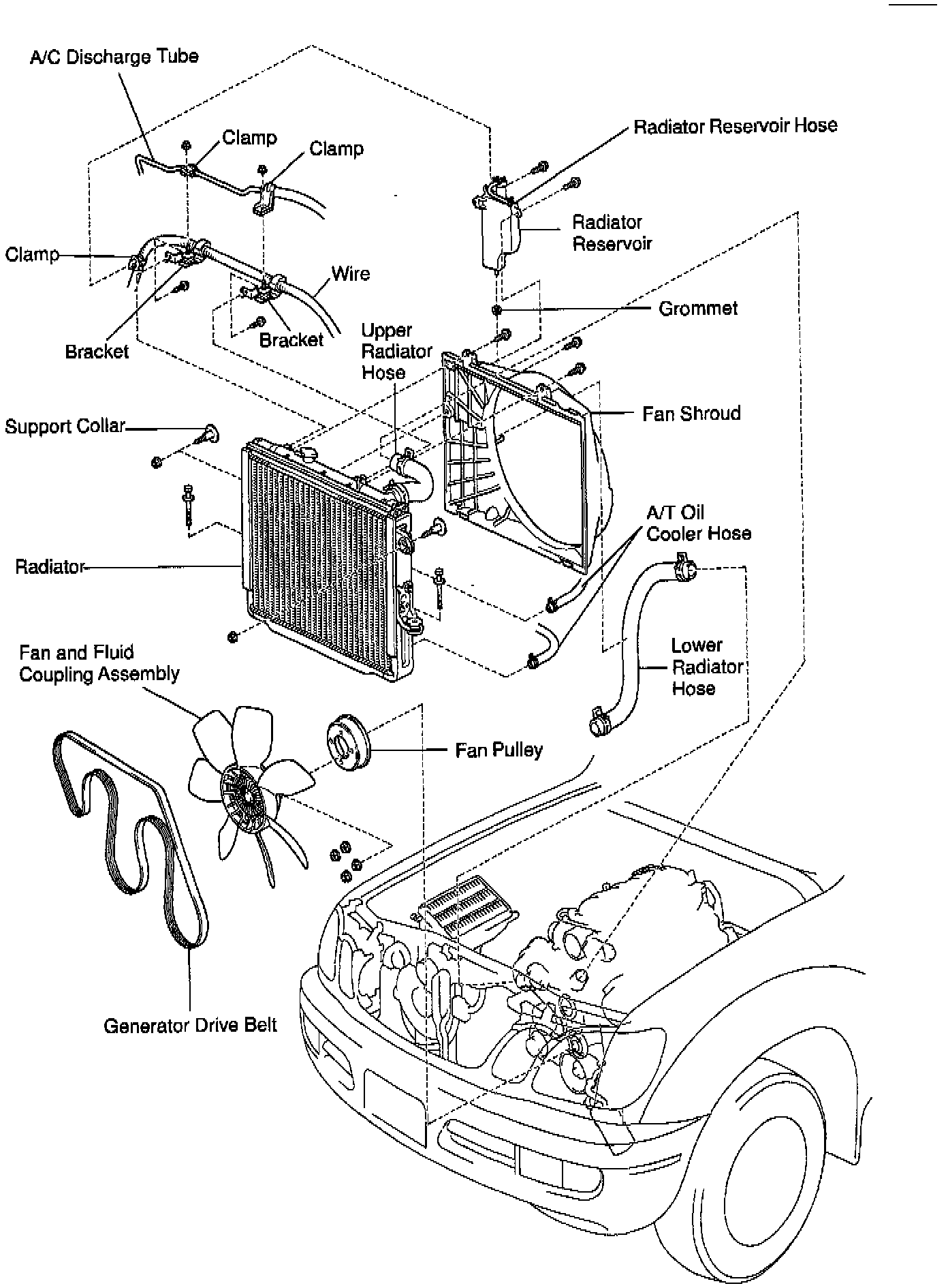
RADIATOR AND FAN SHROUD
GLOVE COMPARTMENT DOOR AND ECM
UNDERHOOD HARNESS
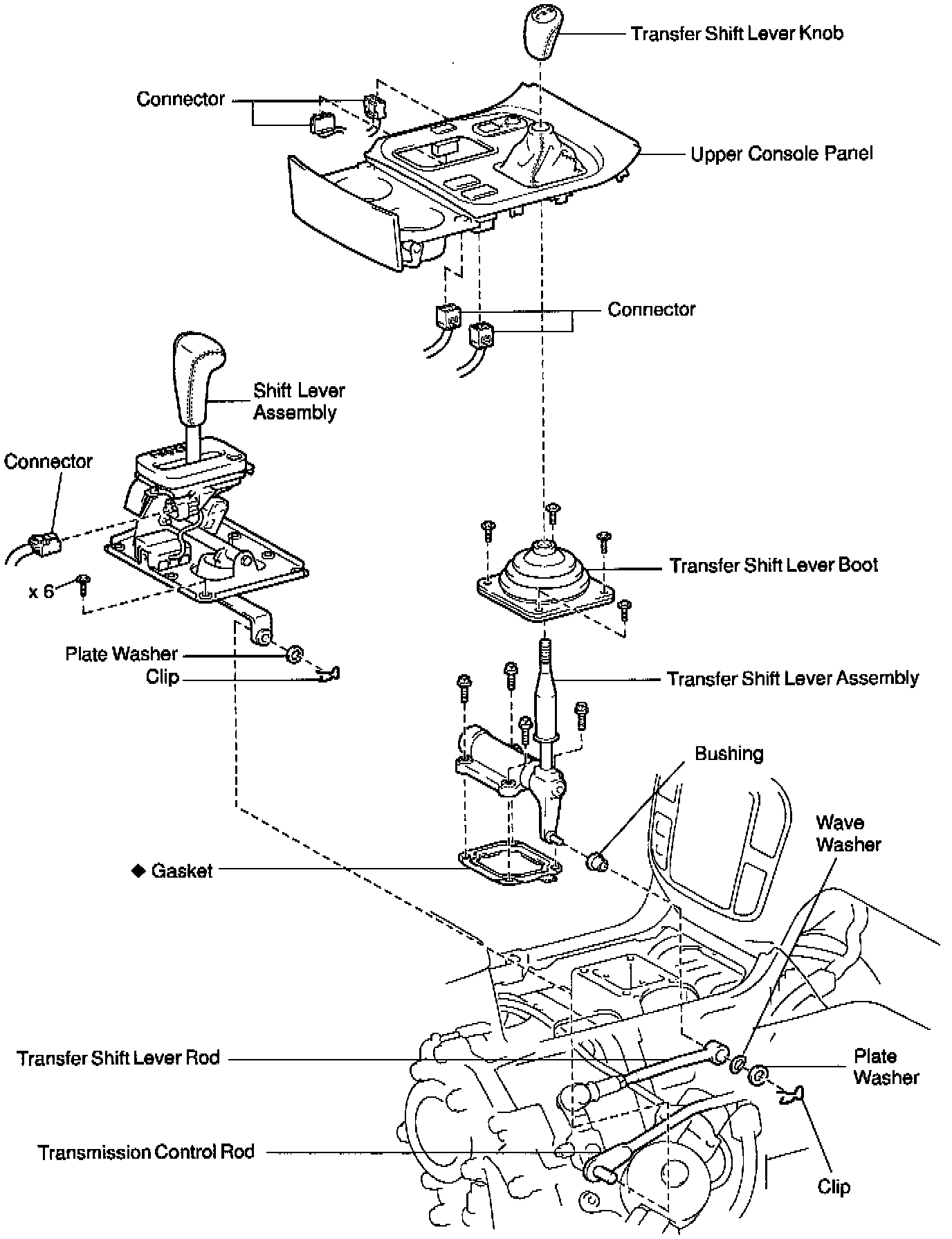
SHIFT LEVER ASSEMBLY AND TRANSFER SHIFT LEVER ASSEMBLY
ENGINE, FRONT EXHAUST PIPES AND CROSSMEMBER
ENGINE AND TRANSMISSION ASSEMBLY