Manuals through 2025 now available!
Our trusted friends have launched a new website named LEMON, which has newer manuals. It also contains all the CHARM manuals.
LEMON is the spiritual successor to CHARM, I recommend you try it!
Link:
lemon-manuals.la or
lemon-manuals.org.ua
(Some people have issue connecting. LEMON is investigating. For now, use Firefox or change your DNS server)
Or, hide this message:
temporarily or
permanently
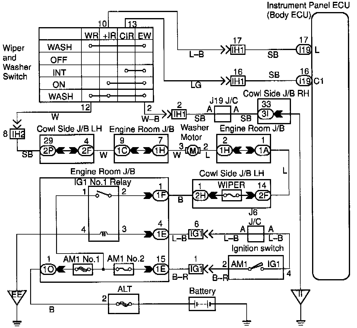
Rear Wiper and Washer Switch Circuit
Rear Wiper and Washer Switch Circuit CIRCUIT DESCRIPTION Body ECU judges the switch position with the terminal voltage of the wiper and washer switch and runs the wiper motor.
WIRING DIAGRAM Step 1:
Step 2:
INSPECTION PROCEDURE