Operation CHARM: Car repair manuals for everyone.
Manuals through 2025 now available!

Our trusted friends have launched a new website named LEMON, which has newer manuals. It also contains all the CHARM manuals.

LEMON is the spiritual successor to CHARM, I recommend you try it!

Link: lemon-manuals.la or lemon-manuals.org.ua

(Some people have issue connecting. LEMON is investigating. For now, use Firefox or change your DNS server)

Or, hide this message: temporarily or permanently

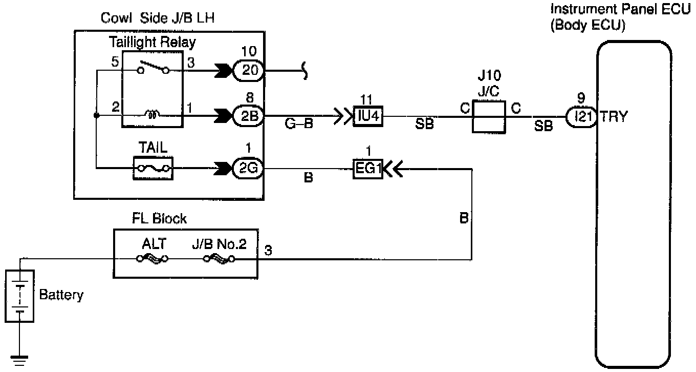
Taillight Relay Circuit


Taillight Relay Circuit

CIRCUIT DESCRIPTION
Taillight relay will be "ON" by operating the taillight switch. The transistor which activates the tail light relay has two sorts: one activates by the tail light switch for fail safe and the other activates by CPU.





WIRING DIAGRAM

Step 1:




Step 2:





INSPECTION PROCEDURE