Operation CHARM: Car repair manuals for everyone.
Manuals through 2025 now available!

Our trusted friends have launched a new website named LEMON, which has newer manuals. It also contains all the CHARM manuals.

LEMON is the spiritual successor to CHARM, I recommend you try it!

Link: lemon-manuals.la or lemon-manuals.org.ua

(Some people have issue connecting. LEMON is investigating. For now, use Firefox or change your DNS server)

Or, hide this message: temporarily or permanently

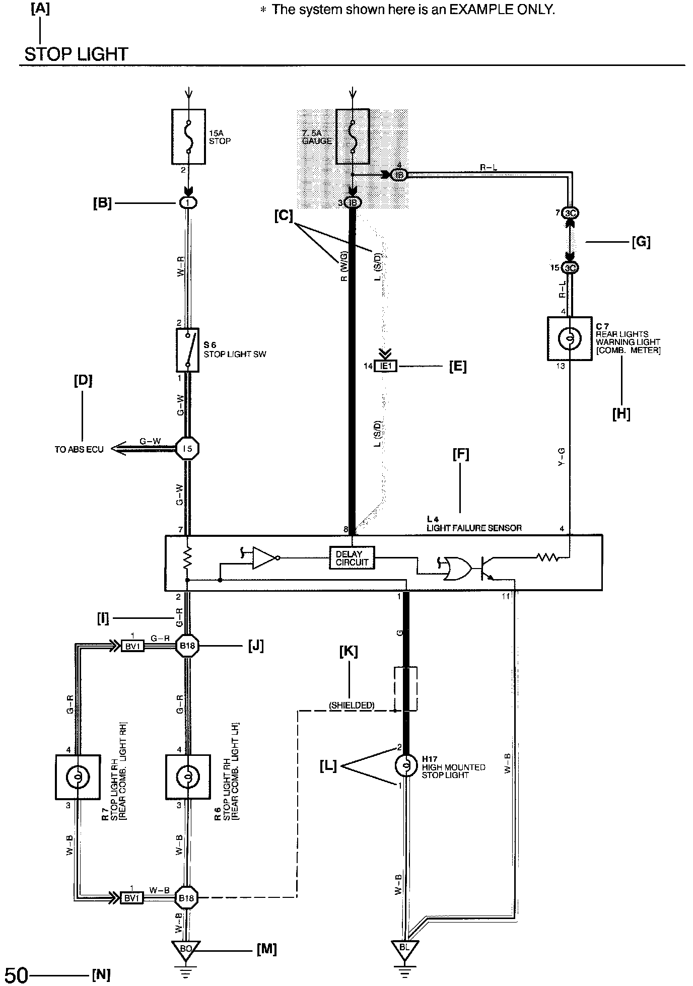
Key to Diagrams

The following Diagrams are typical examples of Lexus wiring diagrams

Stop Light:




A: System Title
B: Indicates a Relay Block. No shading is used and only the Relay Block No. is shown to distinguish it from the J/B

Example: 1 Indicates Relay Block No.1

C: ( ) is used to indicate different wiring and connector, etc. when the vehicle model, engine type, or specification is different.
D: Indicates related system.

Wiring Harness Connector:




E: Indicates the wiring harness and wiring harness connector. The wiring harness with male terminal is shown with arrows. Outside numerals are pin numbers.
The first letter of the code for each wiring harness and wiring harness connector(s) indicates the component's location, e.g, "E" for the Engine Compartment, "I" for the Instrument Panel and Surrounding area, and "B" for the Body and Surrounding area.
When more than one code has the first and second letters in common, followed by numbers (e.g, IH1, IH2), this indicates the same type of wiring harness and wiring harness connector.
F: Represents a part (all parts are shown in sky blue). The code is the same as the code used in parts position.

Junction Block:




G: Junction Block (The number in the circle is the J/B No. and the connector code is shown beside it). Junction Blocks are shaded to clearly separate them from other parts.
H: When 2 parts both use one connector in common, the parts connector name used in the wire routing section is shown in square brackets [ ].

Wiring Color:




I: Indicates the wiring color.

Wire colors are indicated by an alphabetical code.
B = Black
BR = Brown
G = Green
GR = Gray
L = Blue
LG = Light Green
O = Orange
P = Pink
R = Red
SB = Sky Blue
V = Violet
W = White
Y = Yellow
The basic wire color and the second letter indicates the color of the stripe.

Splice Point:




J: Indicates a wiring Splice Point (Codes are "E" for the Engine Room, "I" for the Instrument Panel, and "B" for the Body).

The Location of splice Point I 5 is indicated by the shaded section.

Shielded Cable:




K: Indicates a shielded cable.

Pin Number Of The Connector:




L: Indicates the pin number of the connector. The numbering system is different for female and male connectors.
Example: Numbered in order Numbered in order
from upper left to from upper right to
lower left lower right

M: Indicates a ground point.

The first letter of the code for each ground point(s) indicates the component's location, e.g "E" for the Engine Compartment, "I" for the Instrument Panel and Surrounding area, and "B" for the Body and Surrounding area.

N: Page No.