Operation CHARM: Car repair manuals for everyone.
Manuals through 2025 now available!

Our trusted friends have launched a new website named LEMON, which has newer manuals. It also contains all the CHARM manuals.

LEMON is the spiritual successor to CHARM, I recommend you try it!

Link: lemon-manuals.la or lemon-manuals.org.ua

(Some people have issue connecting. LEMON is investigating. For now, use Firefox or change your DNS server)

Or, hide this message: temporarily or permanently

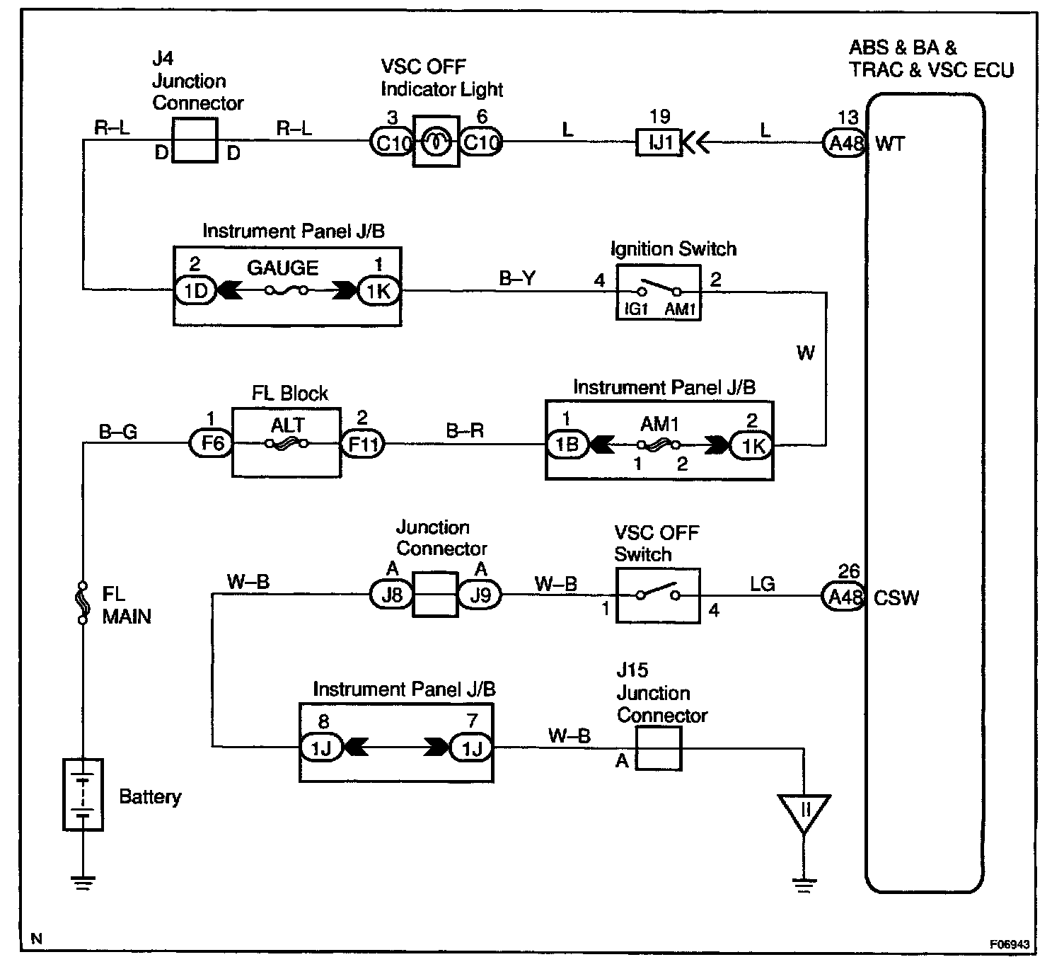
VSC Off Indicator Light, VSC Off Switch Circuit

CIRCUIT DESCRIPTION
This is the TRAC & VSC control main switch. When the VSC OFF switch is pushed, TRAC & VSC control is not activated and VSC OFF indicator light lights up. When the switch is pressed again,VSC OFF indicator light goes off, and the control is actuated. Turn the ignition switch OFF, TRAC & VSC control surely comes on when the ignition switch turns ON next time.




WIRING DIAGRAM
















INSPECTION PROCEDURE

HINT: Start the inspection from step 1 in case of using the LEXUS hand-held tester and start from step 2 in case of not using the LEXUS hand-held tester.