Ground Locations
Ground Point (Part 1 of 5)
ABS And Traction Actuator
ABS Actuator
ABS And Traction ECU
ABS Sol Relay
ABS & BA & TRAC & VSC ECU
ABS & BA & TRAC & VSC Actuator
Absorber Control Actuator Front RH
A/C Dual pressure SW
A/F HTR Relay
HTR Relay
DRL No.3 Relay
DRL No.4 Relay
Engine Main Relay
Engine Hood Courtesy SW
Front Fog Light RH
Front Fog Light LH
Front Turn Signal And Front parking Light RH,LH
Front Wiper Motor
Fan No.2 Relay
Headlight Control ECU RH (Low)
Headlight Control ECU LH (Low)
Headlight RH (Low)
Headlight LH (Low)
Radiator Fan Motor
Theft Deterrent Horn
Washer Level Warning SW
Water Temp. SW No.1
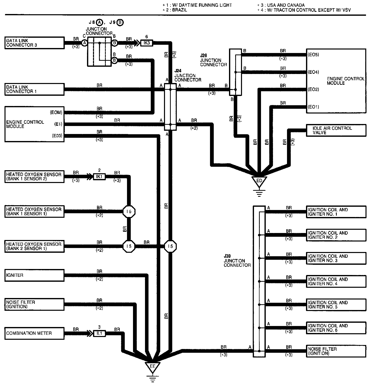
Ground Point (Part 2 of 5)
Combination meter
Data link Connector 1
Data link Connector 2
Data link Connector 3
Engine Control Module
Heated Oxygen Sensor (Bank 1 Sensor 2)
Heated Oxygen Sensor (Bank 1 Sensor 1)
Heated Oxygen Sensor (Bank 2 Sensor 1)
Igniter
Ignition Coil And Igniter 1
Ignition Coil And Igniter 2
Ignition Coil And Igniter 3
Ignition Coil And Igniter 4
Ignition Coil And Igniter 5
Ignition Coil And Igniter 6
Idle Air Control Valve
junction Connector
Noise Filter (Ignition)
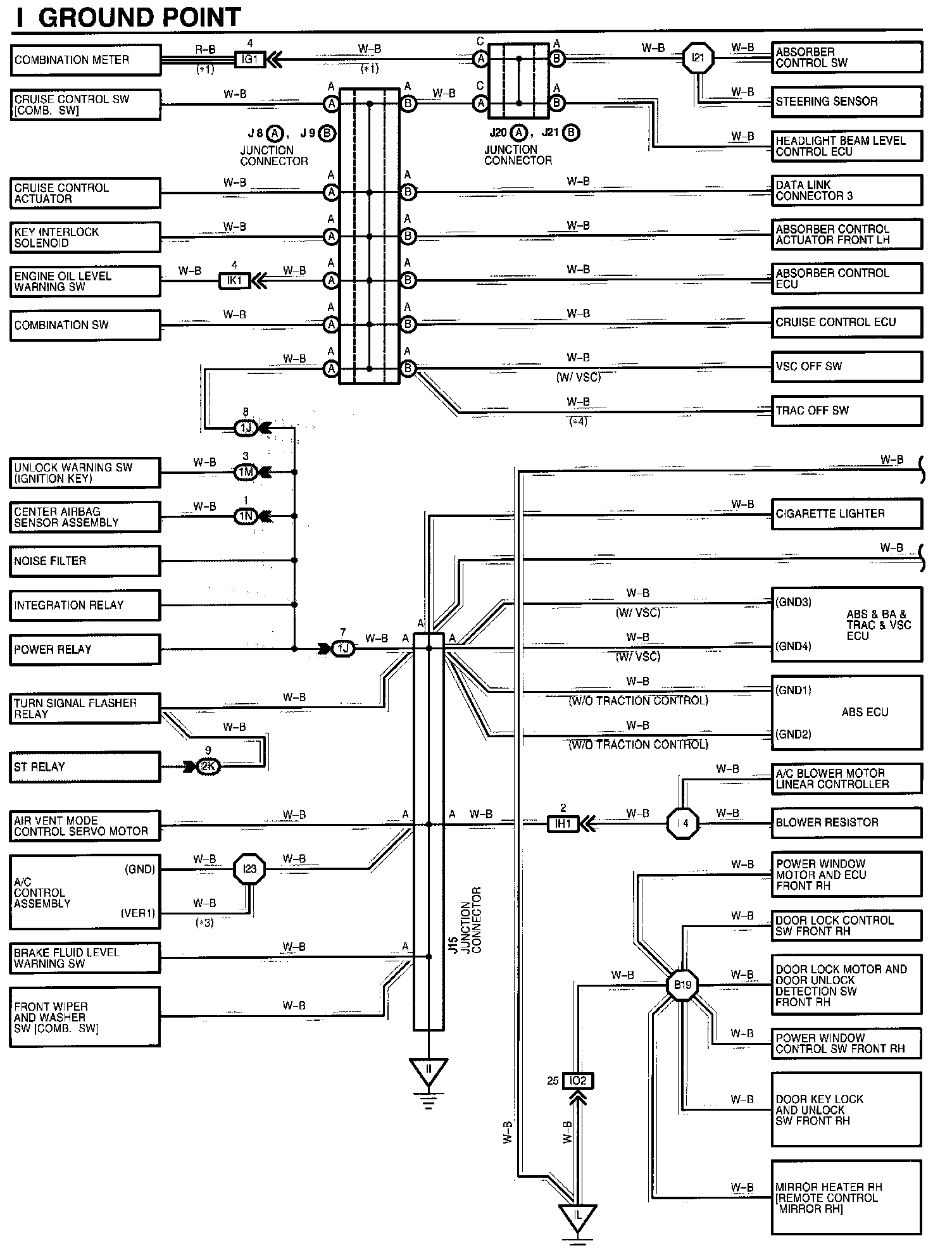
Ground Point (Part 3 of 5)
Air Vent mode Control servo Motor
ABS & BA & TRAC & VSC ECU
ABS ECU
Absorber Control SW
Absorber Control Actuator Front LH
Absorber Control ECU
A/C Blower Motor Linear Control
A/C Control Assembly
Brake Fluid level warning SW
Blower Resistor
Combination Meter
Cruise Control SW [COMB.SW]
Cruise Control Actuator
cruise Control ECU
Cigarette Lighter
Center Air Bag Sensor Assembly
Data Link Connector 3
Door Lock Control SW Front RH
Door Lock Motor And Door Unlock Detection SW Front RH
Door lock Control SW
Door Key Lock And Unlock SW Front RH
Key Interlock solenoid
Front Wiper And Washer SW [COMB.SW]
Headlight Beam Level Control ECU
Integration Relay
Noise Filter
Turn Signal Flasher Relay
Power Window Motor And ECU Front RH
Power Window
Control SW Front RH
Power Relay
Steering Sensor
ST Relay
TRAC OFF SW
Mirror Heater RH [Remote Control Mirror RH]
Noise Filter
Unlock Warning SW (Ignition Key)
VSC OFF SW
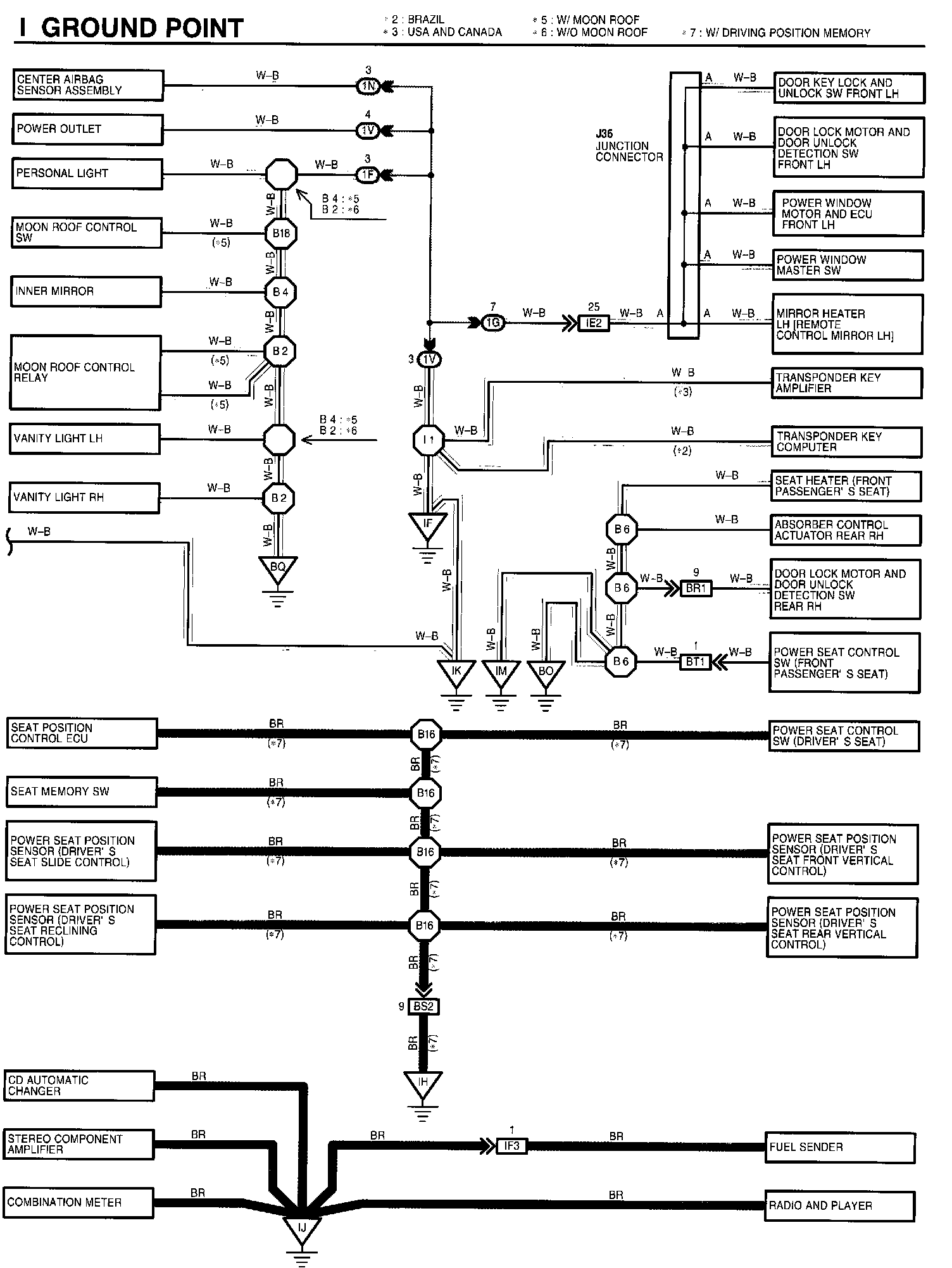
Ground Point (Part 4 of 5)
Absorber Control Actuator Rear LH
Buckle SW
Clock
Cellular Phone (Hand Set)
Combination Meter
Door Lock Motor And Door Unlock Detection SW Rear LH
Fuel Pump
Fuel Lid And Luggage Compartment Door Opener SW
Fuel lid Opener Motor
Glove Box Light SW
High Mounted Stor Light
Luggage Compartment Door Key Unlock
License Plate Light LH
License Plate Light RH
O/D Main SW
Power Seat control SW (Driver's Seat)
Power Seat control SW (Driver's Seat Lumbar Support Control)
Remote Control mirror ECU
Remote Control mirror SW
Rheostat
Rear Turn Signal Light LH
Rear Turn Signal Light RH
Rear Combination Light LH
Rear Combination Light RH
Rear Side Marker light LH
Rear Side Marker light RH
Seat Heater SW (Front Passenger's Seat)
Shift lock Control ECU
Seat position Control ECU
Seat Heater SW (Driver's Seat)
Seat Heater (Driver's Seat)
Telephone Transceiver And Speaker Relay
Theft Deterrent ECU
Wireless Door Lock ECU
Ground Point (Part 5 of 5)
Absorber Control Actuator Rear RH
Center Airbag Sensor Assembly
CD Automatic Changer
Combination Meter
Door Keylock and unlock SW Front LH
Door lock Motor and Door Unlock Detection SW Rear RH
Door lock Motor and Door Unlock Detection SW Front LH
Fuel sender
Moon Roof Control SW
Moon Roof Control Relay
Mirror Heater LH [Remote Control Mirror LH]
Power Window motor And ECU Front LH
Power Outlet
Personal Light
Power window Master SW
Power Seat Control SW (Driver's Seat)
Power Seat Control SW (Front Passenger Seat)
power Seat Position Sensor (Driver's Seat Slide Control)
Power Seat Position Sensor (Driver's Seat Reclining Control)
Power Seat Position Sensor (Driver's Seat Rear Vertical Control)
Power Seat Position Sensor (Driver's Seat Front Vertical Control)
Radio and Player
Seat Position Control ECU
Stereo Component Amplifier
Seat Memory SW
Seat Heater (Front Passenger's Seat)
Transponder Key Computer
Transponder Key Amplifier
Vanity Light LH
Vanity Light RH