Operation CHARM: Car repair manuals for everyone.
Manuals through 2025 now available!

Our trusted friends have launched a new website named LEMON, which has newer manuals. It also contains all the CHARM manuals.

LEMON is the spiritual successor to CHARM, I recommend you try it!

Link: lemon-manuals.la or lemon-manuals.org.ua

(Some people have issue connecting. LEMON is investigating. For now, use Firefox or change your DNS server)

Or, hide this message: temporarily or permanently

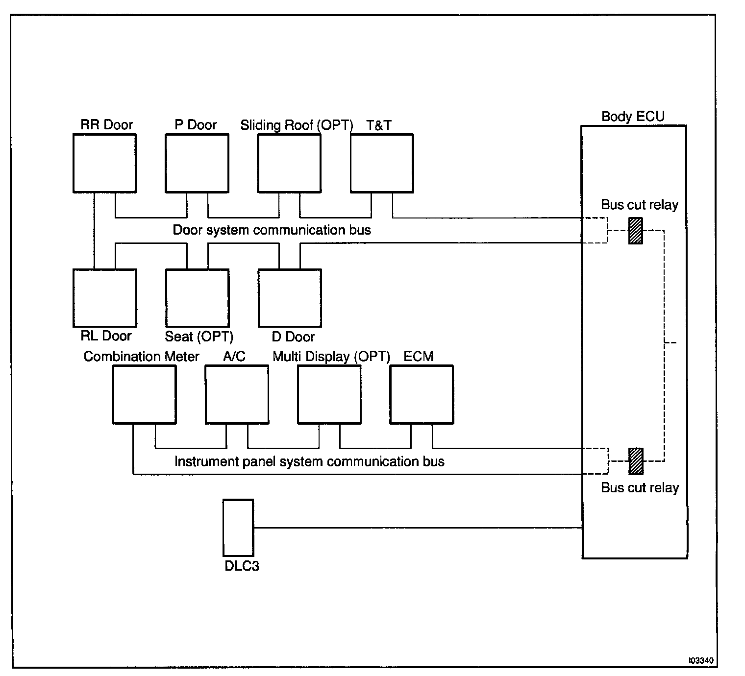
Diagnosis System


Multiplex Communication System
DIAGNOSIS SYSTEM





A. As shown in the following illustration, each ECU of this vehicle is connected by communication bus and it transmits each signal by communication. This communication bus is self-diagnosed by Body ECU and it memorizes DTC when it detects communication stop to ECU or communication bus +B short or GND short. There is a possibility that Body ECU cannot self-diagnose accurately unless it doesn't work normal. So, please note that the troubleshooting of Body Electrical System should be done after confirming if Body ECU and Open door indicator works normal by "BASIC INSPECTION".Component Tests and General Diagnostics






B. If DTC of ECU communication stop is output, there is a possibility of connector disconnection or 2 communication buses open. It will not become abnormal with only 1 communication bus open.





C. If 2 communication buses are open at the position as shown in the illustration, DTC of ECU communication stop between those 2 buses is output.