Operation CHARM: Car repair manuals for everyone.
Manuals through 2025 now available!

Our trusted friends have launched a new website named LEMON, which has newer manuals. It also contains all the CHARM manuals.

LEMON is the spiritual successor to CHARM, I recommend you try it!

Link: lemon-manuals.la or lemon-manuals.org.ua

(Some people have issue connecting. LEMON is investigating. For now, use Firefox or change your DNS server)

Or, hide this message: temporarily or permanently

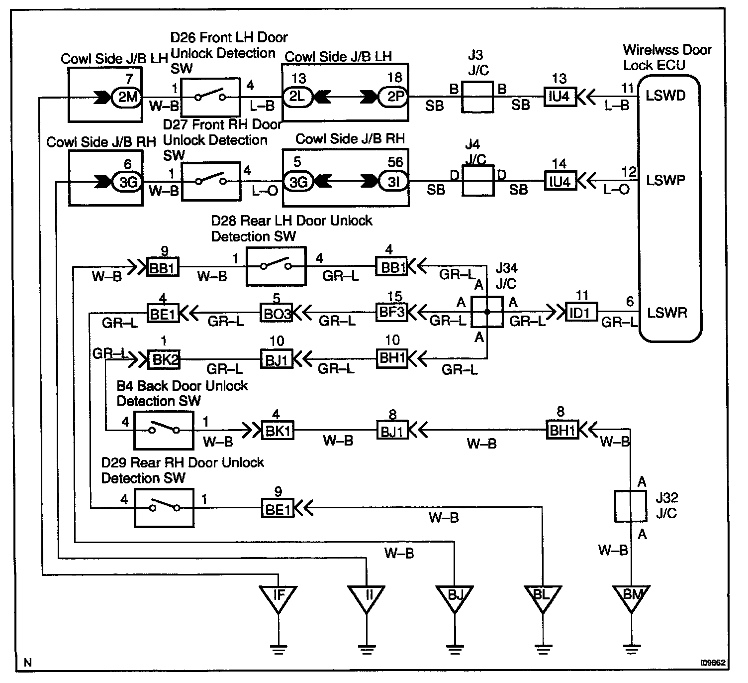
Door Unlock Detection Switch Circuit

CIRCUIT DESCRIPTION
The door unlock detection switch is built into the door lock motor assembly. The switch is OFF when the door lock knob is in Lock Position, and is ON When the Knob is in Unlock position.

Furthermore, the door unlock detection switch circuit has terminal +B connected inside the theft deterrent ECU, when the door unlock detection switch is OFF, battery positive voltage is applied to the terminal of the door unlock detection switch circuit of the wireless door lock ECU.

Wiring Diagram:






Step 1:




INSPECTION PROCEDURE