Operation CHARM
: Car repair manuals for everyone.
Home
>>
Lexus
>>
2000
>>
LX 470 V8-4.7L (2UZ-FE)
>>
Repair and Diagnosis
>>
Diagrams
>>
Exploded Views
>>
Engine
>>
System Diagram
Manuals through 2025 now available!
Our trusted friends have launched a new website named LEMON, which has newer manuals. It also contains all the CHARM manuals.
LEMON is the spiritual successor to CHARM, I recommend you try it!
Link:
lemon-manuals.la
or
lemon-manuals.org.ua
(Some people have issue connecting. LEMON is investigating. For now, use Firefox or change your DNS server)
Or, hide this message:
temporarily
or
permanently
System Diagram
ENGINE UNIT REPLACEMENT W/ RELATED COMPONENTS
Part 1 Of 7:
Part 1 of 7
Part 2 Of 7:
Part 2 of 7
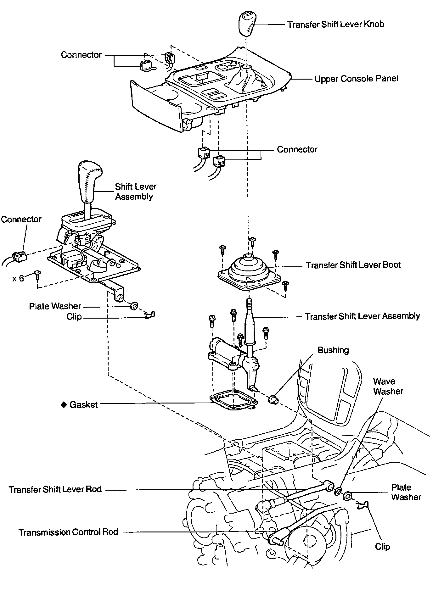
Part 3 of 7
Part 4 Of 7:
Part 4 of 7
Part 5 Of 7:
Part 5 of 7
Part 6 Of 7:
Part 6 of 7
Part 7 Of 7:
Part 7 of 7