Operation CHARM: Car repair manuals for everyone.
Manuals through 2025 now available!

Our trusted friends have launched a new website named LEMON, which has newer manuals. It also contains all the CHARM manuals.

LEMON is the spiritual successor to CHARM, I recommend you try it!

Link: lemon-manuals.la or lemon-manuals.org.ua

(Some people have issue connecting. LEMON is investigating. For now, use Firefox or change your DNS server)

Or, hide this message: temporarily or permanently

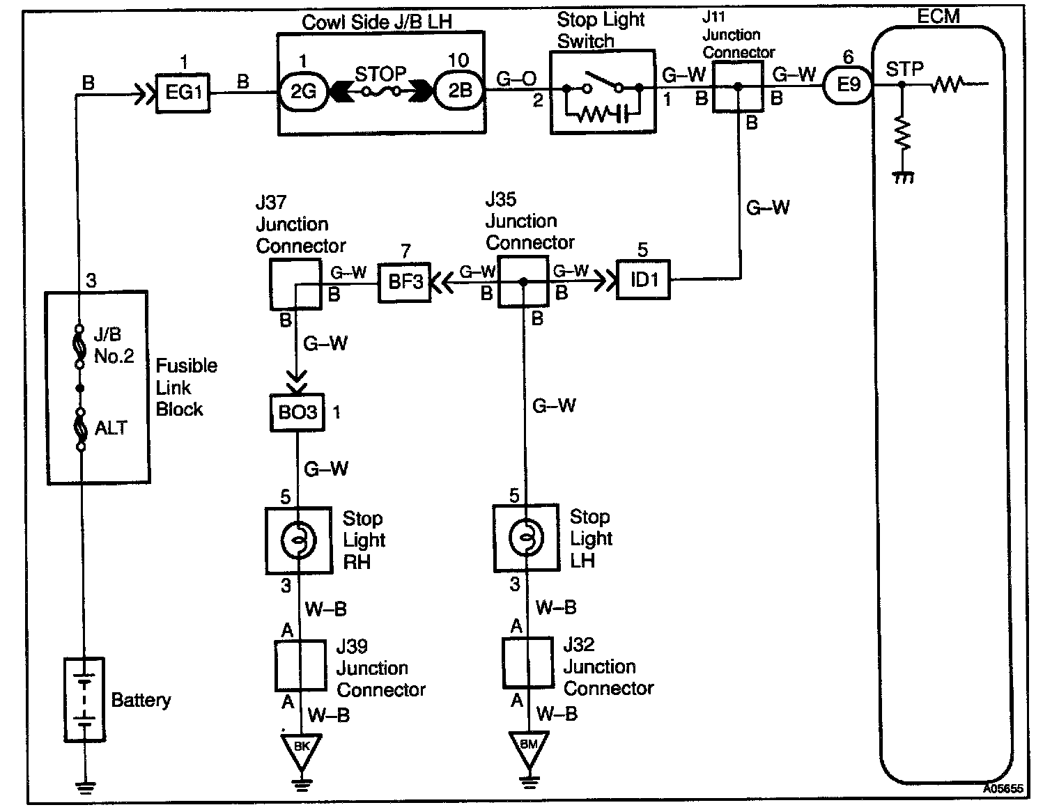
Stop Light Switch Circuit

CIRCUIT DESCRIPTION
This signal is used to detect when the brakes have been applied. The STP signal voltage is the same as the voltage supplied to the stop lights.
The STP signal is used mainly to control the fuel cut-off engine speed. (The fuel cut-off engine speed is reduced slightly when the vehicle is braking.)




DETECTING CONDITIONS




WIRING DIAGRAM

Step 1:




Step 2:




Step 3:




INSPECTION PROCEDURE

HINT: Read freeze frame data using LEXUS hand-held tester or OBD II scan tool. Because freeze frame records the engine conditions when the malfunction is detected. When troubleshooting it is useful for determining whether the vehicle was running or stopped, the engine was warmed up or not, the air-fuel ratio was lean or rich. etc. at the time of the malfunction.