Operation CHARM: Car repair manuals for everyone.
Manuals through 2025 now available!

Our trusted friends have launched a new website named LEMON, which has newer manuals. It also contains all the CHARM manuals.

LEMON is the spiritual successor to CHARM, I recommend you try it!

Link: lemon-manuals.la or lemon-manuals.org.ua

(Some people have issue connecting. LEMON is investigating. For now, use Firefox or change your DNS server)

Or, hide this message: temporarily or permanently

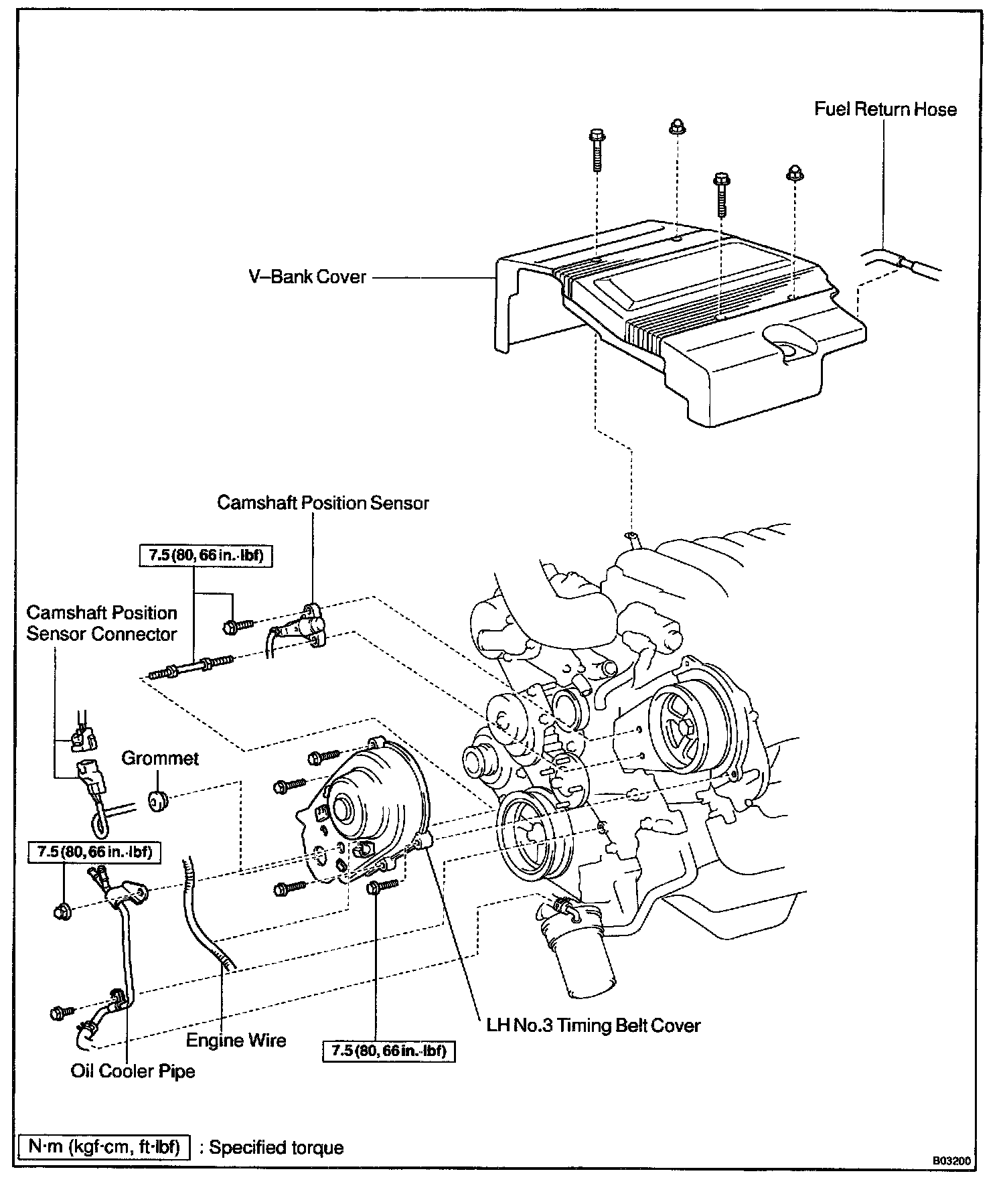
Camshaft Position Sensor: Service and Repair




COMPONENTS

REMOVAL

1. REMOVE V-BANK COVER
2. DRAIN ENGINE COOLANT
3. DISCONNECT UPPER RADIATOR HOSE
4. REMOVE LH NO.3 TIMING BELT COVER




5. REMOVE CAMSHAFT POSITION SENSOR
Remove the bolt, stud bolt and camshaft position sensor.

INSTALLATION




1. INSTALL CAMSHAFT POSITION SENSOR
Install the camshaft position sensor with the bolt and stud bolt.

Torque: 7.5 Nm (80 kg.cm, 66 in.lb)

2. INSTALL LH NO.3 TIMING BELT COVER
3. CONNECT RADIATOR HOSE
4. INSTALL V-BANK COVER
5. FILL ENGINE COOLANT
6. CHECK ENGINE COOLANT FOR LEAKS
7. CHECK IGNITION TIMING