Operation CHARM: Car repair manuals for everyone.
Manuals through 2025 now available!

Our trusted friends have launched a new website named LEMON, which has newer manuals. It also contains all the CHARM manuals.

LEMON is the spiritual successor to CHARM, I recommend you try it!

Link: lemon-manuals.la or lemon-manuals.org.ua

(Some people have issue connecting. LEMON is investigating. For now, use Firefox or change your DNS server)

Or, hide this message: temporarily or permanently

Related Diagnostic Procedures




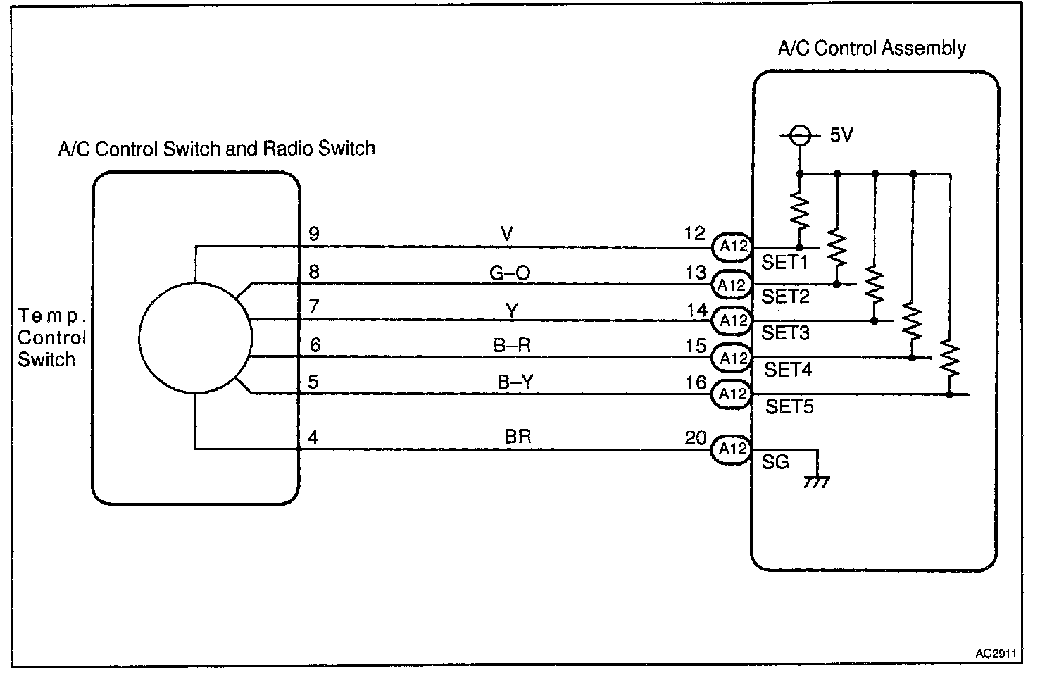
CIRCUIT DESCRIPTION
By turning the temperature control switch, the set temperature of the A/C can be adjusted in steps of 1° F (USA) or 0.5 ° C (Canada). Turning the switch fully will set the A/C to MAX. COLD or MAX. HOT.

The ECU calculates the set temperature from the combination of Hi (5 V) or Low (0 V) terminals SET 1 - 5 of the temperature control SW and displays the set temperature on the LCD display.

If a malfunction occurs in the temperature control SW circuit, malfunctions such as not being able to set the desired temperature occur.

Wiring Diagram:






Step 1:




Step 2:




Step 3:




INSPECTION PROCEDURE