Luggage Compartment Door Lock and Unlock Switch Circuit
Body No.1 Control System / Luggage Compartment Door Lock and Unlock Switch CircuitCIRCUIT DESCRIPTION
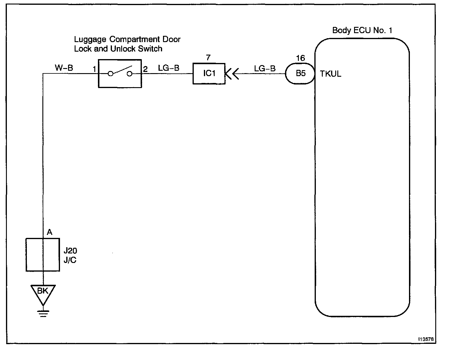
The luggage compartment door lock and unlock switch goes on when the luggage compartment door key cylinder is turned to the unlock side with the key.
Wiring Diagram:
Steps 1 - 3:
INSPECTION PROCEDURE
HINT: In case of using the LEXUS hand-held tester, start the inspection from step 1 and in case of not using the LEXUS hand-held tester, start from step 2.