Manuals through 2025 now available!
Our trusted friends have launched a new website named LEMON, which has newer manuals. It also contains all the CHARM manuals.
LEMON is the spiritual successor to CHARM, I recommend you try it!
Link:
lemon-manuals.la or
lemon-manuals.org.ua
(Some people have issue connecting. LEMON is investigating. For now, use Firefox or change your DNS server)
Or, hide this message:
temporarily or
permanently
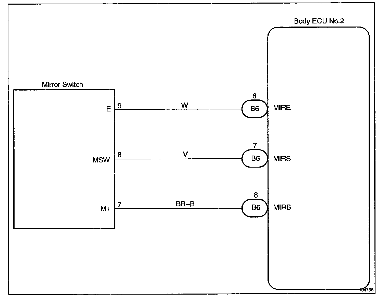
Mirror Switch Circuit
Body No.2 Control System / Mirror Switch CircuitCIRCUIT DESCRIPTIONThis circuit detects the conditions of the mirror selection switch and the mirror position switch.
Wiring Diagram:
Steps 1 - 3:
INSPECTION PROCEDUREHINT: In case of using the LEXUS hand-held tester, start the inspection from step 1 and in case of not using the LEXUS hand-held tester, start from step 2.