Generator L Terminal Circuit (W/ DRL Vehicle Only)
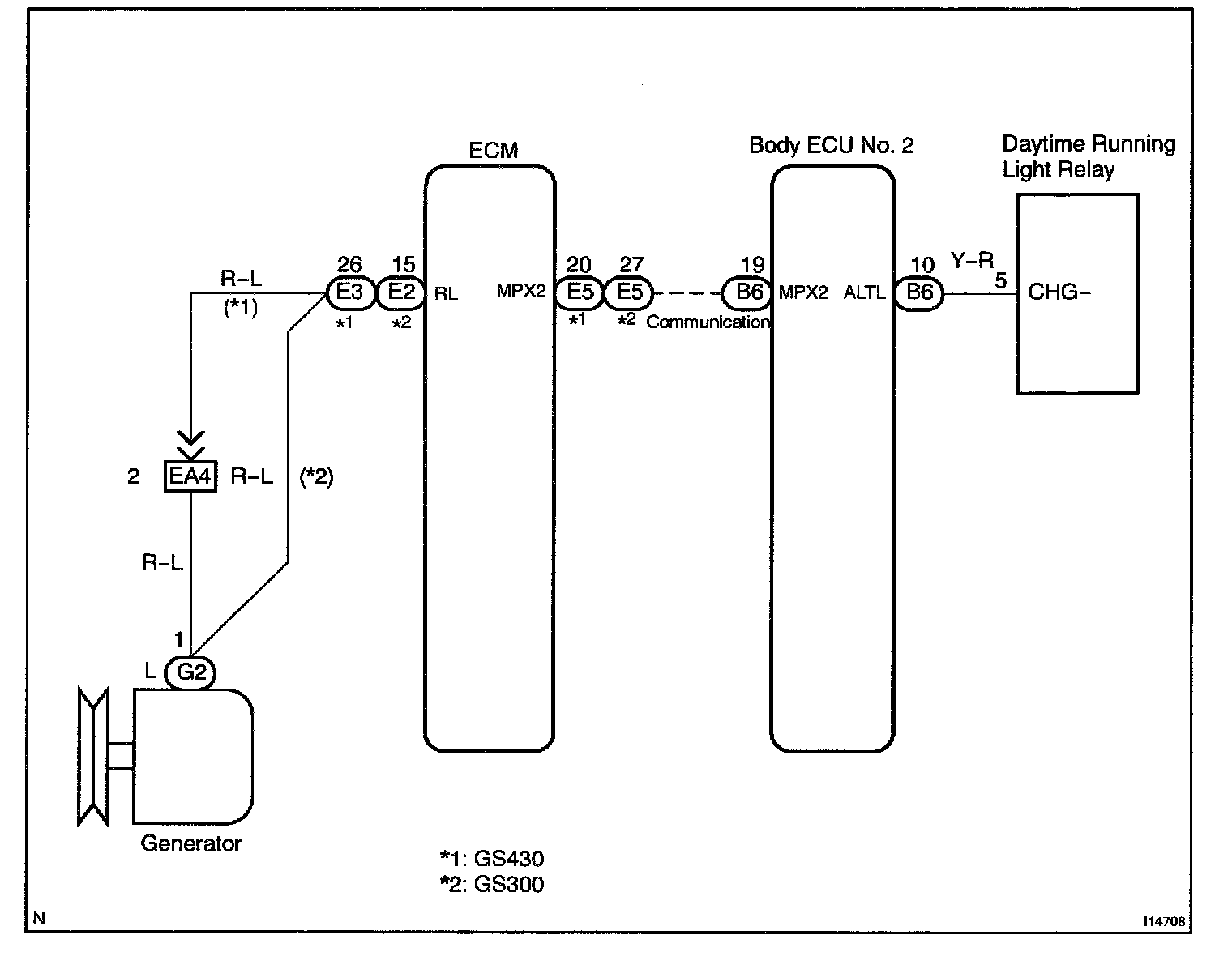
Body No.2 Control System / Generator L Terminal Circuit (w/ DRL Vehicle Only)CIRCUIT DESCRIPTION
Body ECU No.2 receives the generator L signal from ECM through communication and outputs it to the Day time running light relay.
Day time running light relay judges whether the engine rotates or not with this generator L signal and makes the Day time running light turn ON and OFF.
Wiring Diagram:
Steps 1 - 2:
Step 3:
INSPECTION PROCEDURE
HINT: In case of using the LEXUS hand-held tester, start the inspection from step 1 and in case of not using the LEXUS hand-held tester, start from step 2.