Operation CHARM: Car repair manuals for everyone.
Manuals through 2025 now available!

Our trusted friends have launched a new website named LEMON, which has newer manuals. It also contains all the CHARM manuals.

LEMON is the spiritual successor to CHARM, I recommend you try it!

Link: lemon-manuals.la or lemon-manuals.org.ua

(Some people have issue connecting. LEMON is investigating. For now, use Firefox or change your DNS server)

Or, hide this message: temporarily or permanently

Throttle Position Sensor: Service and Repair

REPLACEMENT

NOTE:
- To prevent deterioration, do not shock the throttle position sensor.
- Mixing of the foreign objects may cause the gear locking, so thoroughly check that there is no stuck of any foreign objects and clean up if any.

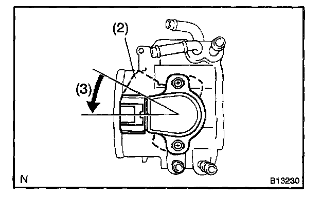
REPLACE THROTTLE POSITION SENSOR




a. Remove the 2 set screws and throttle position sensor.

b. Reinstall a new throttle position sensor.
1. Check that the throttle valve is under the condition of the opener opening angle (about 4 °).




2. Install the sensor to the place where it is at 15 ° rotated to the right from the specified installation position.
3. Gradually turn sensor counterclockwise until it touches the throttle valve shaft, and temporarily tighten the 2 set screws.




c. Adjust the throttle position sensor.
1. Connect the throttle position sensor connector.
2. Connect the LEXUS hand-held tester or OBD II scan tool to the DLC3.
3. Turn the ignition switch ON.

NOTE: After turning the ignition switch ON, do not depress the accelerator pedal.

4. While reading the valve of the throttle valve opening percentage (THROTTLE POS) of the CURRENT DATA, turn the throttle position sensor slowly to left and right and set the sensor at the center value of the standard value, and then tighten the screws.

Standard throttle valve opening percentage: 14.4 - 16 %

Torque: 2.0 N.m (20 kgf.cm, 18 in.lbf)

NOTE: After turning the ignition switch ON, do not depress the accelerator pedal.

5. Recheck throttle valve opening percentage.
If the throttle valve opening percentage is not as specified, repeat step (4).

6. Perform fully closed throttle valve by hand and check that the valve of the throttle valve opening percentage (THROTTLE POS) of the CURRENT DATA stays with the standard value.

Standard throttle valve opening percentage: 10 - 14 %

If the throttle valve opening percentage is not as specified, repeat steps (4) to (6).

7. Paint the 2 set screws.
8. Turn the ignition switch OFF.
9. Disconnect the LEXUS hand-held tester or OBD II scan tool from the DLC3.
10. Disconnect the throttle position sensor connector.