Operation CHARM: Car repair manuals for everyone.
Manuals through 2025 now available!

Our trusted friends have launched a new website named LEMON, which has newer manuals. It also contains all the CHARM manuals.

LEMON is the spiritual successor to CHARM, I recommend you try it!

Link: lemon-manuals.la or lemon-manuals.org.ua

(Some people have issue connecting. LEMON is investigating. For now, use Firefox or change your DNS server)

Or, hide this message: temporarily or permanently

System Specifications





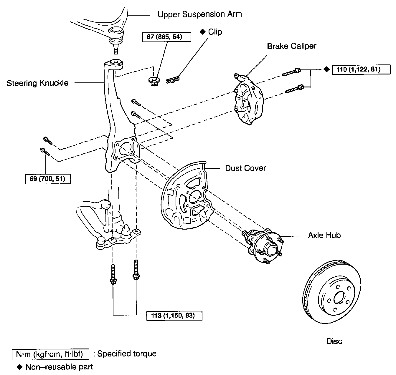
FRONT AXLE HUB





STEERING KNUCKLE





FRONT SHOCK ABSORBER





FRONT PNEUMATIC CYLINDER





FRONT UPPER SUSPENSION ARM





FRONT LOWER SUSPENSION ARM





FRONT LOWER BALL JOINT





FRONT STABILIZER BAR





REAR AXLE CARRIER





REAR DRIVE SHAFT





REAR DIFFERENTIAL SIDE GEAR SHAFT OIL SEAL

REAR DIFFERENTIAL CARRIER





Part 1 of 2





Part 2 of 2





REAR SHOCK ABSORBER





REAR PNEUMATIC CYLINDER





REAR UPPER SUSPENSION ARM





REAR LOWER SUSPENSION ARM





TOE CONTROL LINK





REAR STABILIZER BAR





HEIGHT CONTROL COMPRESSOR AND DRYER





HEIGHT CONTROL VALVE





FRONT HEIGHT CONTROL SENSOR AND ACCELERATION SENSOR





REAR HEIGHT CONTROL SENSOR





REAR ACCELERATION SENSOR