Operation CHARM: Car repair manuals for everyone.
Manuals through 2025 now available!

Our trusted friends have launched a new website named LEMON, which has newer manuals. It also contains all the CHARM manuals.

LEMON is the spiritual successor to CHARM, I recommend you try it!

Link: lemon-manuals.la or lemon-manuals.org.ua

(Some people have issue connecting. LEMON is investigating. For now, use Firefox or change your DNS server)

Or, hide this message: temporarily or permanently

Engine Does Not Start

Engine does not Start

DESCRIPTION




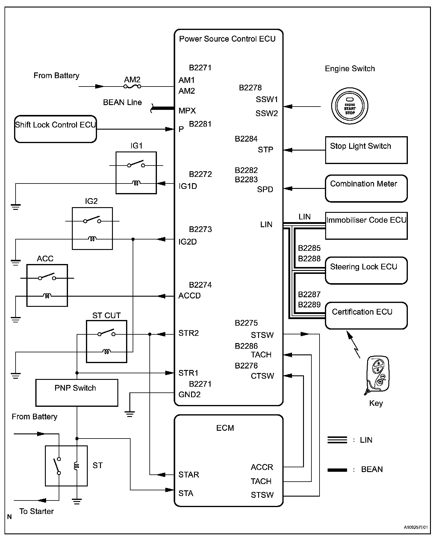
Wiring Diagram:




1. ENGINE START SYSTEM OPERATION
a. If the engine switch is pressed with the shift lever in P or N and the brake pedal depressed, the power source control ECU determines that it is an engine start request.
b. The certification ECU and other ECUs perform key verification via the LIN communication line.
c. The power source control ECU activates the ACC relay.
d. The power source control ECU activates the IG1, IG2, and ST CUT relays. The engine switch indicator light illuminates green.
e. The certification ECU outputs a steering UNLOCK signal. The signal is sent to the steering lock ECU via the power source control ECU.
f. The power source control ECU sends an engine start request signal to the ECM.
g. The ECM and power source control ECU activate the ST relay.
h. The ECM sends an ACC relay cut signal to the power source control ECU.
i. The power source control ECU deactivates the ACC relay until the ECU detects an engine start request.
j. When engine revolution speed reaches 800 rpm, the power source control ECU determines that the engine has been started. The ECU reactivates the ACC relay and turns off the engine switch indicator light.

Wiring Diagram (Part 1):




Wiring Diagram (Part 2):




WIRING DIAGRAM


Step 1-4:




Step 4(Continued)-6:




Step 7-8:




Step 8(Continued):




INSPECTION PROCEDURE