Operation CHARM: Car repair manuals for everyone.
Manuals through 2025 now available!

Our trusted friends have launched a new website named LEMON, which has newer manuals. It also contains all the CHARM manuals.

LEMON is the spiritual successor to CHARM, I recommend you try it!

Link: lemon-manuals.la or lemon-manuals.org.ua

(Some people have issue connecting. LEMON is investigating. For now, use Firefox or change your DNS server)

Or, hide this message: temporarily or permanently

Camshaft Position Sensor: Service and Repair

Camshaft Position Sensor:




Camshaft Position Sensor:





REMOVAL

1. DISCONNECT CABLE FROM NEGATIVE BATTERY TERMINAL

CAUTION: Wait at least 90 seconds after disconnecting the cable from the negative (-) battery terminal to prevent airbag and seat belt pretensioner activation.

2. DRAIN ENGINE COOLANT
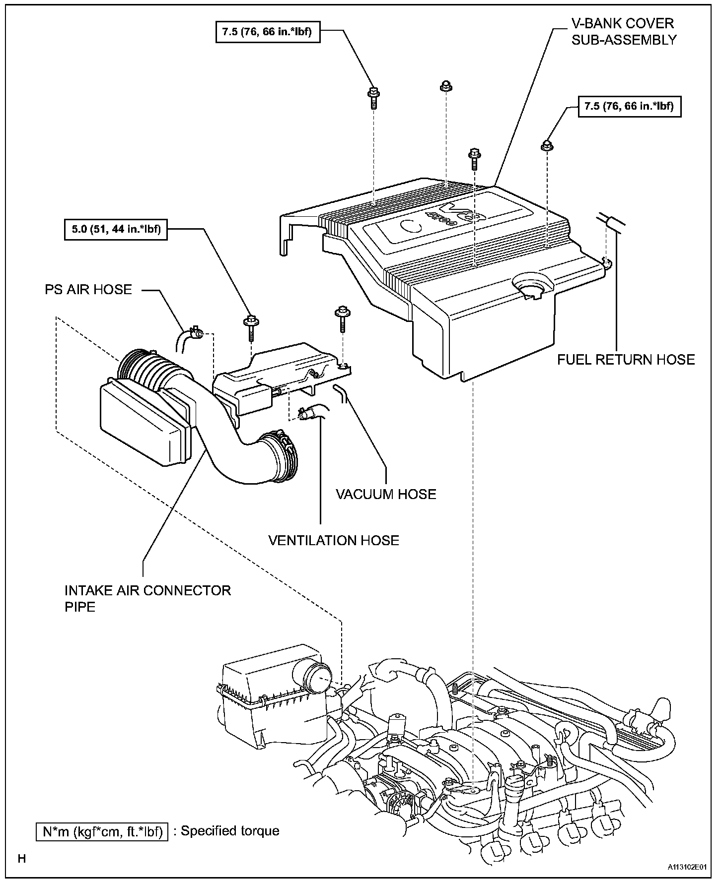
3. REMOVE V-BANK COVER SUB-ASSEMBLY
4. REMOVE INTAKE AIR CONNECTOR PIPE
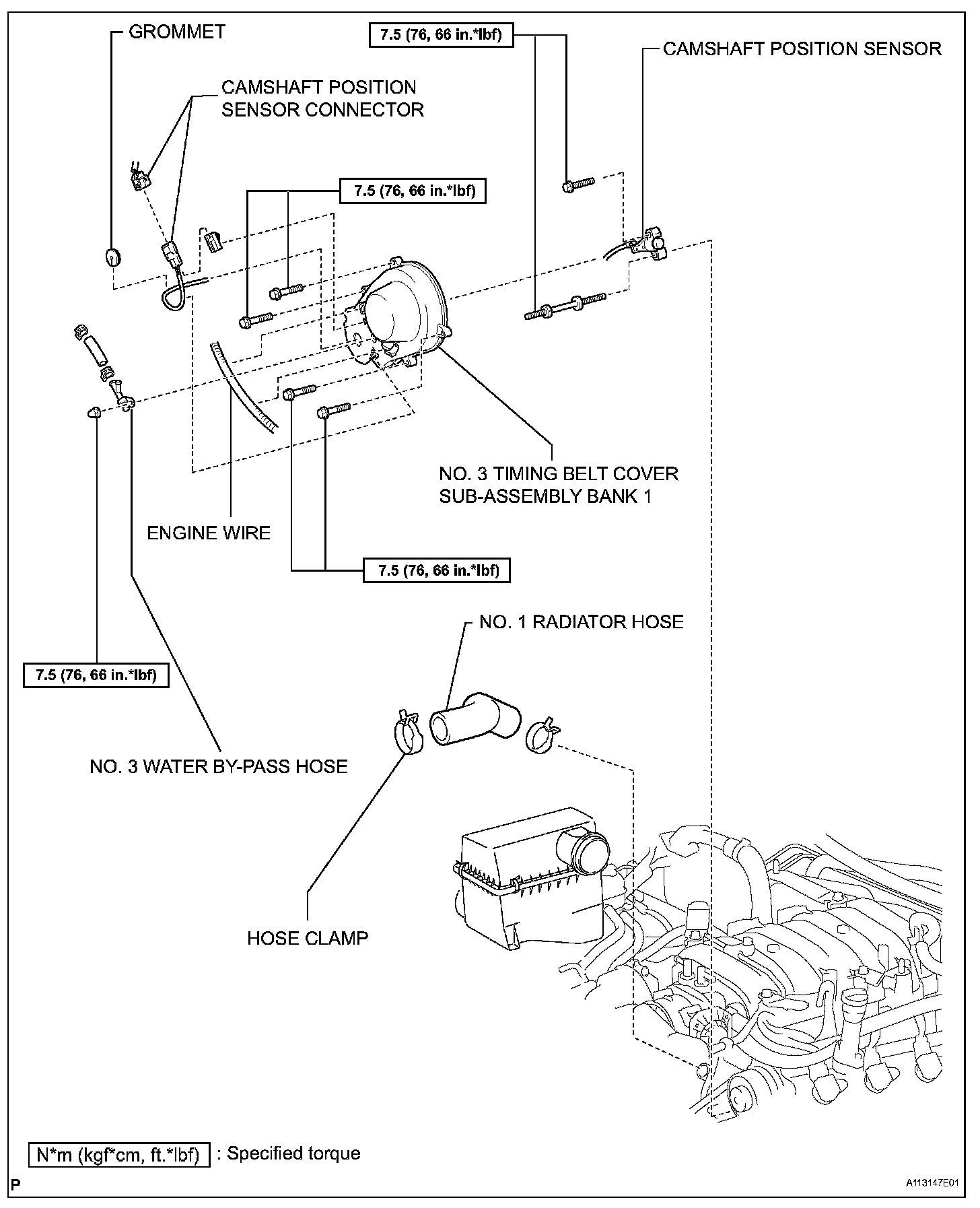
5. DISCONNECT NO. 1 RADIATOR HOSE
6. REMOVE NO. 3 TIMING BELT COVER SUBASSEMBLY BANK 1
7. REMOVE CAMSHAFT POSITION SENSOR




a. Remove the bolt, stud bolt and camshaft position sensor.

INSTALLATION

1. INSTALL CAMSHAFT POSITION SENSOR




a. Install the camshaft position sensor with the bolt and stud bolt.

Torque: 7.5 N.m (76 kgf.cm, 66 in.lbf)

2. INSTALL NO. 3 TIMING BELT COVER SUBASSEMBLY BANK 1
3. CONNECT NO. 1 RADIATOR HOSE
4. INSTALL INTAKE AIR CONNECTOR PIPE
5. INSTALL V-BANK COVER SUB-ASSEMBLY
6. CONNECT CABLE TO NEGATIVE BATTERY TERMINAL
7. PERFORM INITIALIZATION
a. Perform initialization.

NOTE: Certain systems need to be initialized after disconnecting and reconnecting the cable from the negative (-) battery terminal.

8. ADD ENGINE COOLANT
9. CHECK FOR ENGINE COOLANT LEAKS
a. Check for engine coolant leaks.