Operation CHARM: Car repair manuals for everyone.
Manuals through 2025 now available!

Our trusted friends have launched a new website named LEMON, which has newer manuals. It also contains all the CHARM manuals.

LEMON is the spiritual successor to CHARM, I recommend you try it!

Link: lemon-manuals.la or lemon-manuals.org.ua

(Some people have issue connecting. LEMON is investigating. For now, use Firefox or change your DNS server)

Or, hide this message: temporarily or permanently

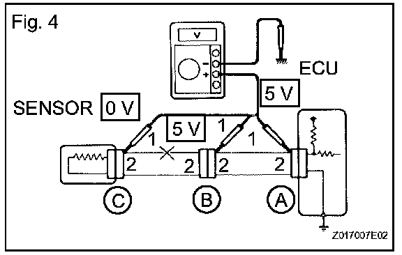
Check For Open Circuit

CHECK FOR OPEN CIRCUIT




a. For an open circuit in the wire harness in Fig. 1, check the resistance or voltage, as described below.

b. Check the resistance.







1. Disconnect connectors A and C and measure the resistance between them.

HINT: Measure the resistance while lightly shaking the wire harness vertically and horizontally. If the results match the examples above, an open circuit exists between terminal 1 of connector A and terminal 1 of connector C.







2. Disconnect connector B and measure the resistance between the connectors.

If the results match the examples, an open circuit exists between terminal 1 of connector B2 and terminal 1 of connector C.







c. Check the voltage.
1. In a circuit in which voltage is applied to the ECU connector terminal, an open circuit can be checked by conducting a voltage check. With each connector still connected, measure the voltage between the body ground and these terminals (in this order): 1) terminal 1 of connector A, 2) terminal 1 of connector B, and 3) terminal 1 of connector C.

If the results match the examples, an open circuit exists in the wire harness between terminal 1 of connector B and terminal 1 of connector C.