Operation CHARM: Car repair manuals for everyone.
Manuals through 2025 now available!

Our trusted friends have launched a new website named LEMON, which has newer manuals. It also contains all the CHARM manuals.

LEMON is the spiritual successor to CHARM, I recommend you try it!

Link: lemon-manuals.la or lemon-manuals.org.ua

(Some people have issue connecting. LEMON is investigating. For now, use Firefox or change your DNS server)

Or, hide this message: temporarily or permanently

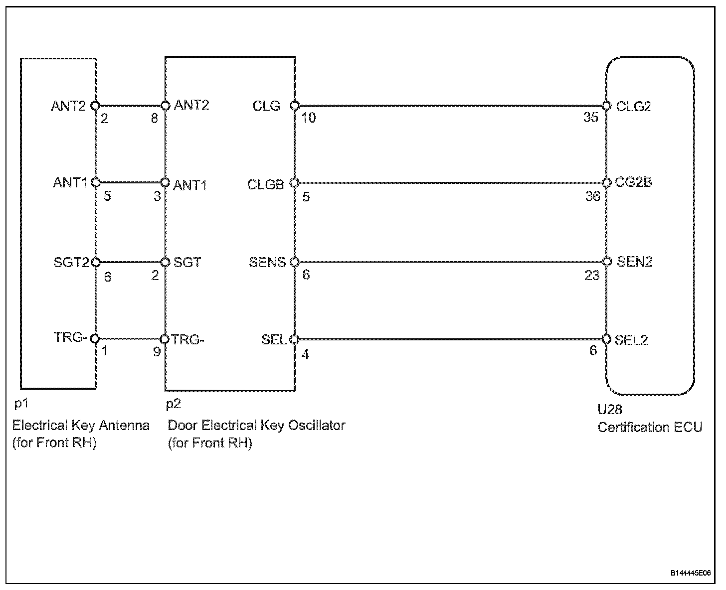
Front Passenger Side Door Entry Unlock Function Does Not Operate

Front Passenger Side Door Entry Unlock Function does not Operate

DESCRIPTION

When an ID code from the door electrical key oscillator front RH matches an ID code from the key, the certification ECU outputs a SEL signal (Lo when output) to the door electrical key oscillator front RH, activates the touch sensor inside the outside door handle, and enters unlock standby mode. When the touch sensor is touched, the door electrical key oscillator front RH sends a SENS signal (Lo when output) to the certification ECU and the certification ECU sends an unlock signal to the front passenger side door lock.

Wiring Diagram:






Step 1:




Step 1 (Continued)-4:




Step 4 (Continued)-7:




Step 8:




Step 9:




INSPECTION PROCEDURE