Operation CHARM: Car repair manuals for everyone.
Manuals through 2025 now available!

Our trusted friends have launched a new website named LEMON, which has newer manuals. It also contains all the CHARM manuals.

LEMON is the spiritual successor to CHARM, I recommend you try it!

Link: lemon-manuals.la or lemon-manuals.org.ua

(Some people have issue connecting. LEMON is investigating. For now, use Firefox or change your DNS server)

Or, hide this message: temporarily or permanently

Room Oscillator Does Not Recognize Key

Room Oscillator does not Recognize Key

DESCRIPTION

If the entry ignition function does not operate, place the key in the vehicle and check if the hybrid vehicle control system starts. If the hybrid vehicle control system starts (the ID code box outputs a start permission to the hybrid vehicle control system and the hybrid vehicle control system starts), it can be assumed that only the entry ignition system is malfunctioning.

The certification ECU uses the indoor electrical key antenna to send a request signal to the key when: 1) the driver's door is opened and closed, or 2) the power switch is turned from ON (ACC) to OFF or OFF to ON (IG). Then, the key transmits its ID code to the entry door control receiver. The ID code, which is then sent to the certification ECU, is verified by the certification ECU and the verification result is sent to the ID code box. Turning the power switch from ON (ACC) to OFF stops the hybrid vehicle control system.

The ID code box and the certification ECU communicate encryption codes to each other using the multiplex communication line. When the return code from the certification ECU matches the ID code in memory, the ID code box sends an hybrid vehicle control system start permission signal to the ECM. With the brake pedal depressed, pressing the power switch starts the hybrid vehicle control system. With the hybrid vehicle control system running, pressing the power switch stops the hybrid vehicle control system.

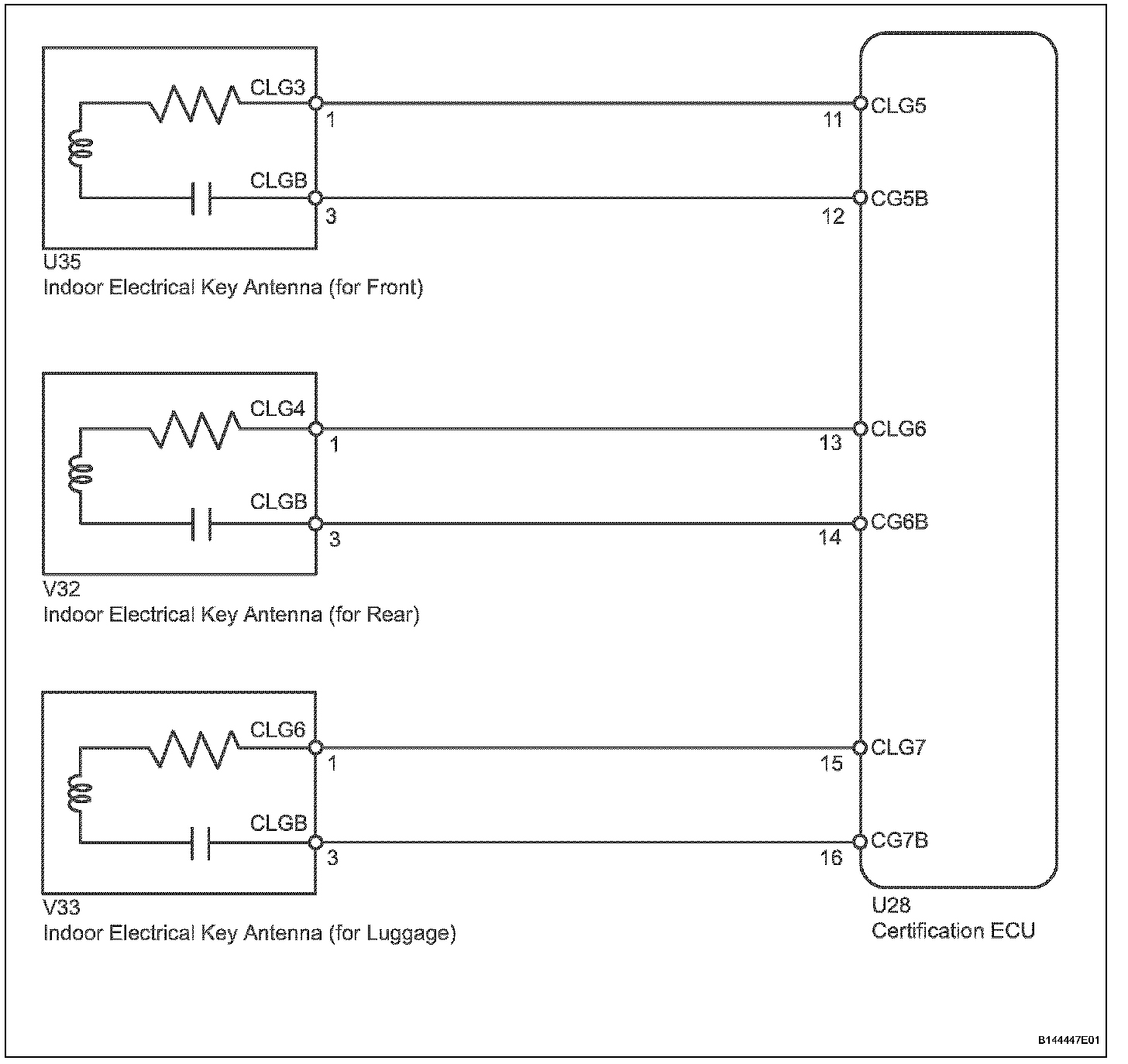
Wiring Diagram:






Step 1:




Step 1 (Continued)-3:




Step 4-5:




Step 5 (Continued):




INSPECTION PROCEDURE