Operation CHARM: Car repair manuals for everyone.
Manuals through 2025 now available!

Our trusted friends have launched a new website named LEMON, which has newer manuals. It also contains all the CHARM manuals.

LEMON is the spiritual successor to CHARM, I recommend you try it!

Link: lemon-manuals.la or lemon-manuals.org.ua

(Some people have issue connecting. LEMON is investigating. For now, use Firefox or change your DNS server)

Or, hide this message: temporarily or permanently

EVAP System

EVAP System

DESCRIPTION






















While the engine is running, if a predetermined condition (closed loop, etc.) is met, the purge VSV is opened by the ECM and stored fuel vapors in the canister are purged to the intake manifold. The ECM will change the duty cycle ratio of the purge VSV to control purge flow volume.

Purge flow volume is also determined by the intake manifold pressure. Atmospheric pressure is allowed into the canister through the vent valve to ensure that purge flow is maintained when negative pressure (vacuum) is applied to the canister.

The ECM monitors the condition of both the key-off monitor and purge flow monitor to ensure proper operation of the EVAP system.

Key-off monitor













This monitoring system checks for canister pump module malfunctions and leaks from the EVAP and closed tank systems. Be sure to leave the vehicle for at least 5 hours to sufficiently cool the fuel and stabilize fuel tank pressure. This makes EVAP system monitoring more accurate.

HINT: If the engine coolant temperature is 35 °C (95 °F) or more, 5 hours after the power switch has been turned OFF, the ECM will begin performing a monitor check after another 2 hours. If the engine coolant temperature is still 35 °C (95 °F) or more, 7 hours after the power switch has been turned OFF, the ECM will begin performing a monitor check after another 2.5 hours.

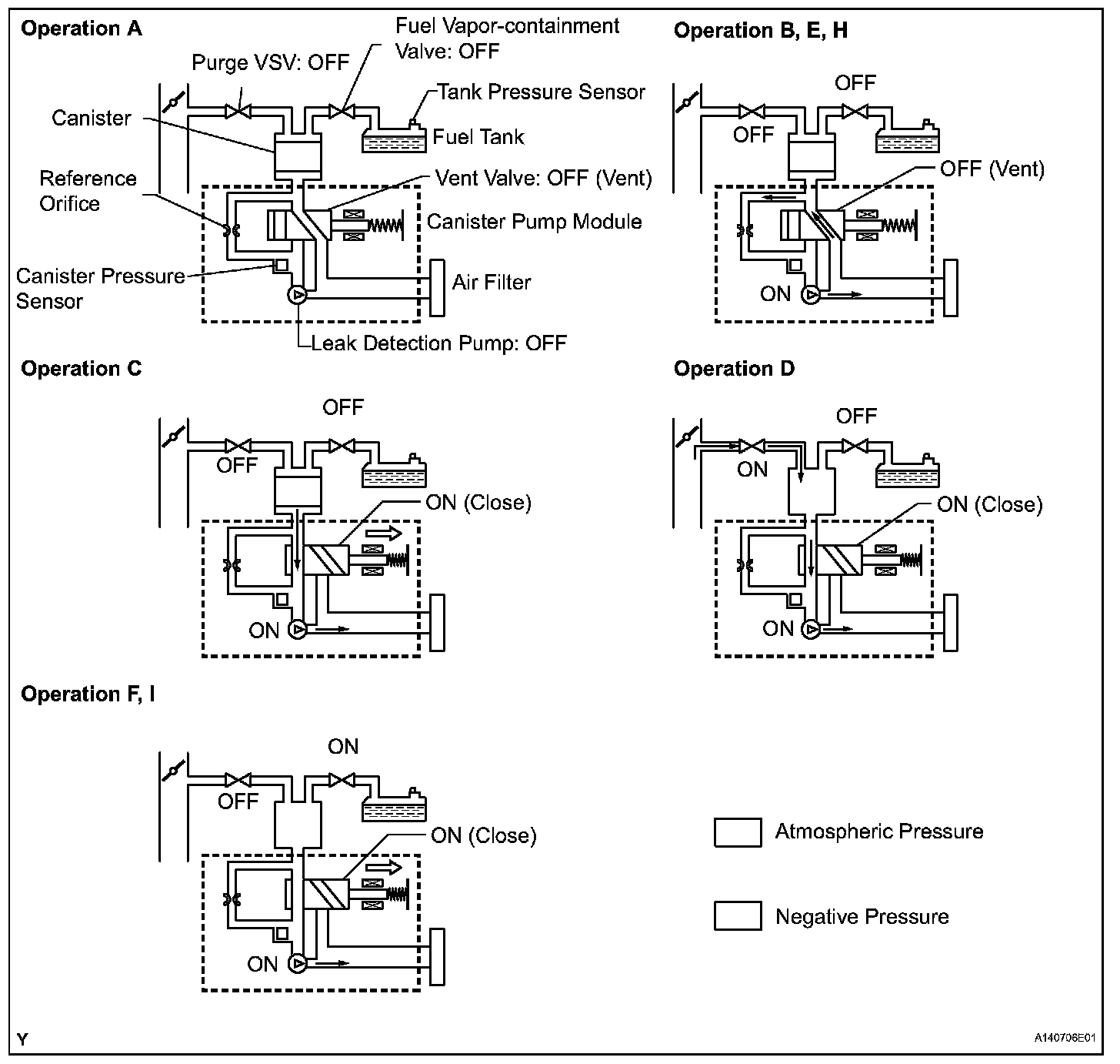
There are two methods for monitoring the EVAP system.
1. If the fuel tank pressure is higher or lower than the atmospheric pressure, the system determines that there are no leaks in the closed tank system and the system will check for leaks from the piping and canister between the purge VSV and canister pump module. (Method A)
2. If the fuel tank pressure is almost the same as the atmospheric pressure, vacuum pressure will enter the fuel tank and the system will check for leaks from the fuel tank after checking for leaks from the canister. (Method B)

Purge flow monitor




If EVAP system pressure change is less than 7.5 mmHg (1 kPa) when the engine is running and the purge VSV is turned ON (closed), the ECM determines that the purge flow is insufficient.




RELATED DTCS

MONITOR RESULT
Refer to CHECKING MONITOR STATUS. Mode 6 Data

CONFIRMATION DRIVING PATTERN

1. KEY-OFF MONITOR DRIVE PATTERN
a. Connect the intelligent tester to the DLC3.
b. Confirm the following conditions are satisfied:
- The fuel level is less than 90%.
- The altitude is less than 8,000 ft. (2,400 m).
- The vehicle is stopped (the vehicle speed is less than 2 mph).
- The ECT is 4.4 to 35 °C (40 to 95 °F).
- The IAT is 4.4 to 35 °C (40 to 95 °F).

c. Perform the drive pattern:
1. Allow the engine to idle for 5 minutes or more.
2. Turn the power switch OFF and wait 6 hours.

d. Check the monitor status with the intelligent tester.

2. PURGE FLOW MONITOR DRIVE PATTERN (P0441)
a. Connect the intelligent tester to the DLC3.
b. Confirm that the following conditions are satisfied:
- The Engine Coolant Temperature (ECT) is more than 4.4 °C (40 °F).
- The Intake Air Temperature (IAT) is more than 4.4 °C (40 °F).

c. Perform the drive pattern:
1. Remove and reinstall the fuel cap to release the fuel tank pressure.
2. Warm the engine until the ECT reaches 75 °C (167 °F) or more.
3. Run the engine at 2,500 rpm once.
4. Allow the engine to idle and turn on the air conditioning (A/C) for 1 minute.

d. Check the monitor status with the intelligent tester.

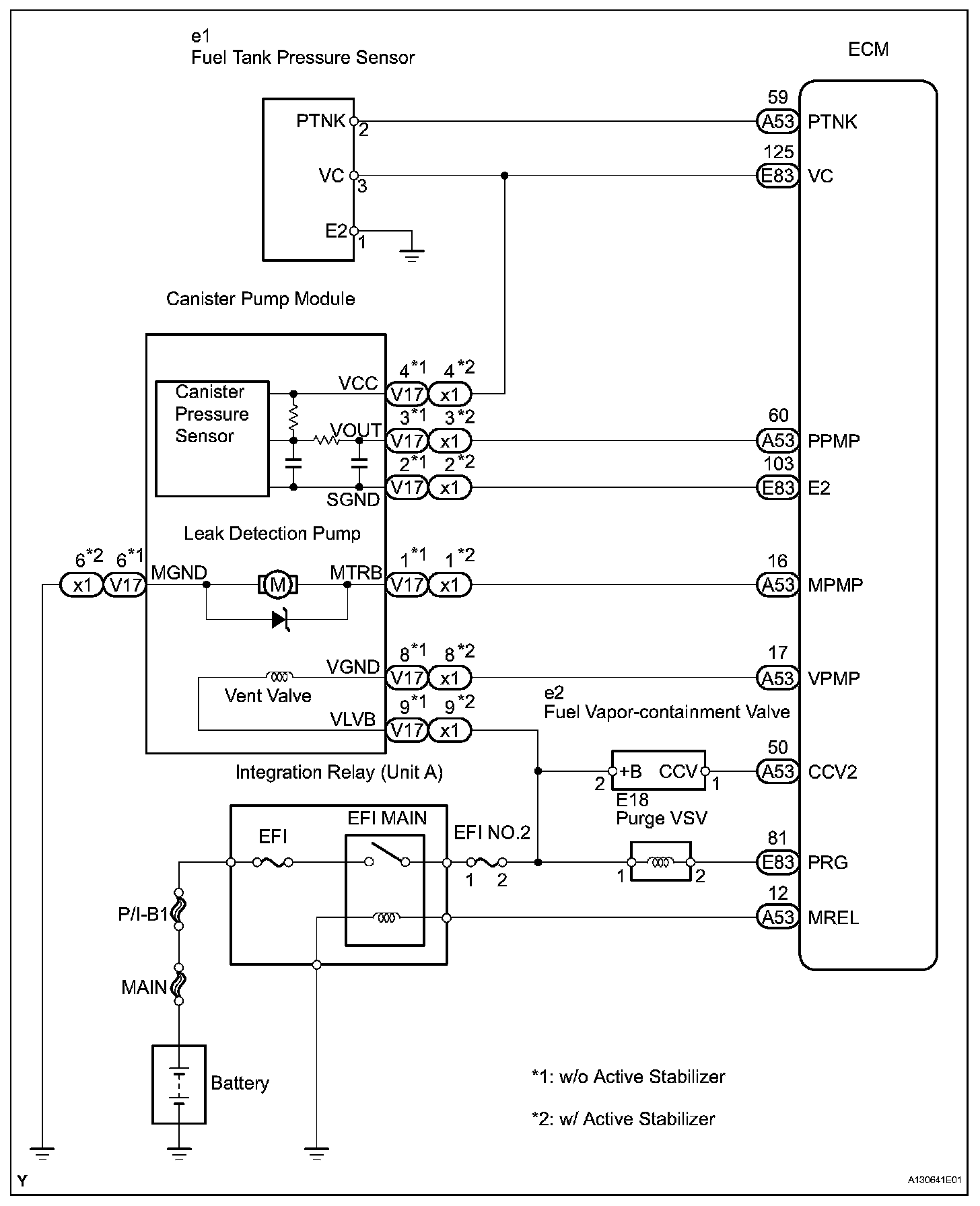
Wiring Diagram:






Step 1-2:




Step 2(Continued)-4:




Step 4(Continued)-6:




Step 7-8:




Step 8(Continued)-11:




Step 11(Continued)-13:




Step 13(Continued)-15:




Step 15(Continued)-16:




Step 17:




Step 18:




Step 19-20:




Step 21:




Step 21(Continued)-24:




Step 25-28:




Step 28(Continued)-29:




Step 29(Continued)-32:




Step 33-34:




Step 34(Continued)-35:




Step 36:




Step 36(Continued)-37:




Step 37(Continued):




Step 37(Continued):




Step 37(Continued)-38:




Step 38(Continued)-40:




Step 41-42:




Step 42(Continued)-43:




Step 43(Continued):




INSPECTION PROCEDURE