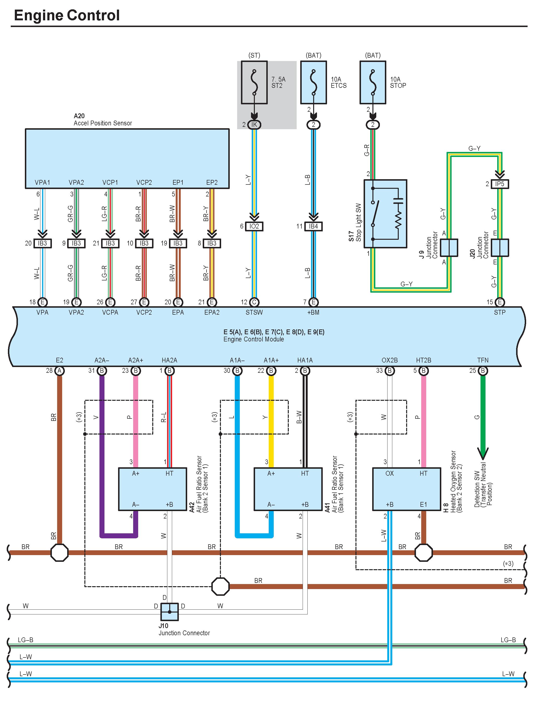
Engine Control Part 7
Engine Control Part 7:
Diagram Legend Part 1:
Diagram Legend Part 2:
Next Diagram Engine Control Part 8
Previous Diagram Engine Control Part 6
Locations: The locations of components, connectors, ground points, and splices referred to within these diagrams can be found at Vehicle Locations. Locations
Connector Views: The connector views for connectors referred to within these diagrams can be found at Vehicle level Connector Views. Connector Views