Operation CHARM: Car repair manuals for everyone.
Manuals through 2025 now available!

Our trusted friends have launched a new website named LEMON, which has newer manuals. It also contains all the CHARM manuals.

LEMON is the spiritual successor to CHARM, I recommend you try it!

Link: lemon-manuals.la or lemon-manuals.org.ua

(Some people have issue connecting. LEMON is investigating. For now, use Firefox or change your DNS server)

Or, hide this message: temporarily or permanently

Air Conditioning Unit

DISASSEMBLY




1. REMOVE AIR OUTLET CONTROL SERVO MOTOR
a. Disconnect the connector.
b. Remove the 3 screws and air outlet control servo motor.




2. REMOVE AIR MIX CONTROL SERVO MOTOR
a. Remove the 4 clamps and connector, and disconnect the wire harness.




b. Remove the 3 screws and heater piping cover.




c. Remove the 3 screws and air mix control servo motor.




3. REMOVE COOLER EXPANSION VALVE
a. Remove the packing from the air conditioning tube assembly.




b. Using a hexagon wrench 4 mm, remove the 2 hexagon bolts and air conditioning tube assembly.
c. Remove the 2 O-rings from the air conditioning tube assembly.




d. Remove the cooler expansion valve from the No.1 cooler evaporator sub-assembly.




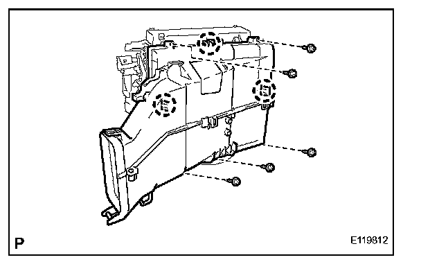
4. REMOVE AIR CONDITIONING HARNESS ASSEMBLY
a. Remove the 2 connectors and 5 clamps, and then disconnect the wire harness.
b. Remove the air conditioning harness assembly as shown in the illustration.




5. REMOVE AIR OUTLET CONTROL SERVO MOTOR
a. Remove the 2 screws and the air duct.




b. Remove the 4 screws and the servo motor plate.




c. Remove the 2 screws.
d. Release the claw and remove the air outlet control servo motor from the servo motor plate.




6. REMOVE AIR MIX CONTROL SERVO MOTOR
a. Remove the 2 screws.
b. Release the claw and remove the air mix control servo motor from the servo motor plate.




7. REMOVE HEATER RADIATOR UNIT SUB-ASSEMBLY
a. Remove the screw and clamp.
b. Remove the heater radiator unit sub-assembly.




8. REMOVE NO.1 COOLER EVAPORATOR SUB-ASSEMBLY
a. Remove the 5 screws.
b. Release the 3 claws and remove the air duct.




c. Remove the No.1 cooler evaporator sub-assembly from the air duct.
d. Remove the 2 O-rings from the No.1 cooler evaporator sub-assembly.

REASSEMBLY

1. INSTALL COOLER EVAPORATOR SUB-ASSEMBLY
a. Sufficiently apply compressor oil to 2 new O-rings and the fitting surface of the cooler evaporator sub-assembly.

Compressor oil: ND-OIL 8 or equivalent




b. Install the 2 O-rings on the cooler evaporator sub-assembly.




c. Install the air duct with the 3 claws and 5 screws.




2. INSTALL HEATER RADIATOR UNIT SUB-ASSEMBLY
a. Install the heater radiator unit sub-assembly.
b. Install the clamp with the screw.




3. INSTALL AIR OUTLET CONTROL SERVO MOTOR
a. Install the air outlet control servo motor with the 2 screws.




b. Temporarily install the drive gear to the air outlet control servomotor. Check that the drive gear and the driven gear are engaged at point with the same number of gear teeth from the standard position. Install the drive gear to the air outlet control servomotor.

NOTE:
- If there is not the same number of gear teeth from the standard position on each gear at the point where the two gears are engaged, remove the drive gear, adjust the driven gear, and reinstall the drive gear.
- The number of gear teeth from the standard position varies according to the stop position of the air outlet control servomotor. Make sure that the gears are engaged at a point with the same number of gear teeth from the standard position.
- If there is not the same number of gear teeth from the standard position on each gear at the point where the two gears are engaged, the air outlet control servo motor may not operate normally.




4. INSTALL AIR MIX CONTROL SERVO MOTOR
a. Install the air mix control servo motor with the 2 screws.
b. Install the drive gear to the air mix control servo motor.
c. Temporarily install the mode damper servo assembly so that the levers fit into each groove.




d. Slightly lift the air outlet control servo motor. Check that the drive gear and the driven gear are engaged at a point with the same number of gear teeth from the standard position from the view indicated by arrow (A).

NOTE:
- If there is not the same number of gear teeth from the standard position on each gear at the point where the two gears are engaged, lift the air outlet control servo motor to adjust the driven gear and reinstall the air outlet control servo motor.
- If there is not the same number of gear teeth from the standard position on each gear at the point where the two gears are engaged, the air outlet control servo motor may not operate normally.

e. Install the air outlet control servo motor with the 4 screws.




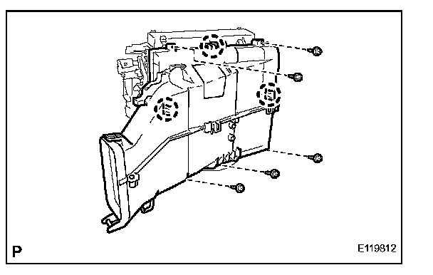
5. INSTALL AIR CONDITIONING HARNESS ASSEMBLY
a. Attach the 4 clamps to install the air conditioning harness assembly.
b. Install the air conditioning harness as shown in the illustration.




c. Connect the 2 connectors and attach the clamp.




6. INSTALL COOLER EXPANSION VALVE
a. Install the expansion valve.
b. Sufficiently apply compressor oil to 2 new O-rings and the fitting surface of the air conditioning tube assembly.

Compressor oil: ND-OIL 8 or equivalent

c. Install the 2 O-rings on the air conditioning tube assembly.
d. Using a hexagon wrench 4 mm, install the air conditioning tube assembly with the 2 hexagon bolts.

Torque: 3.5 N.m (35 kgf.cm, 30 in.lbf)




e. Install a new packing.

7. INSTALL AIR MIX CONTROL SERVO MOTOR
a. Check that the drive gear and the driven gear are engaged at a point with the same number of gear teeth from the standard position. Temporarily install the air mix control servo motor.

NOTE:
- If there is not the same number of gear teeth from the standard position on each gear at the point where the two gears are engaged, remove the air mix control servo motor to adjust the driven gear and reinstall the air mix control servo motor.
- The number of gear teeth from the standard position varies according to the stop position of the air mix control servo motor. Make sure that the gears are engaged at a point with the same number of gear teeth from the standard position.
- If there is not the same number of gear teeth from the standard position on each gear at the point where the two gears are engaged, the air mix control servo motor may not operate normally.

b. Install the air mix control servo motor with the 3 screws.




8. INSTALL AIR OUTLET CONTROL SERVO MOTOR
a. Install the air outlet control servo motor with the 3 screws.
b. Connect the connector.