Operation CHARM: Car repair manuals for everyone.
Manuals through 2025 now available!

Our trusted friends have launched a new website named LEMON, which has newer manuals. It also contains all the CHARM manuals.

LEMON is the spiritual successor to CHARM, I recommend you try it!

Link: lemon-manuals.la or lemon-manuals.org.ua

(Some people have issue connecting. LEMON is investigating. For now, use Firefox or change your DNS server)

Or, hide this message: temporarily or permanently

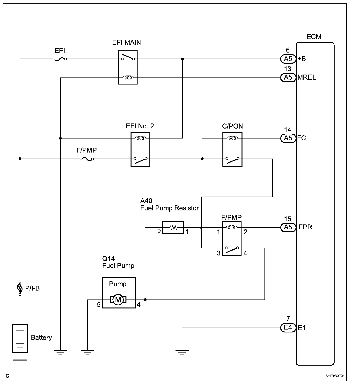
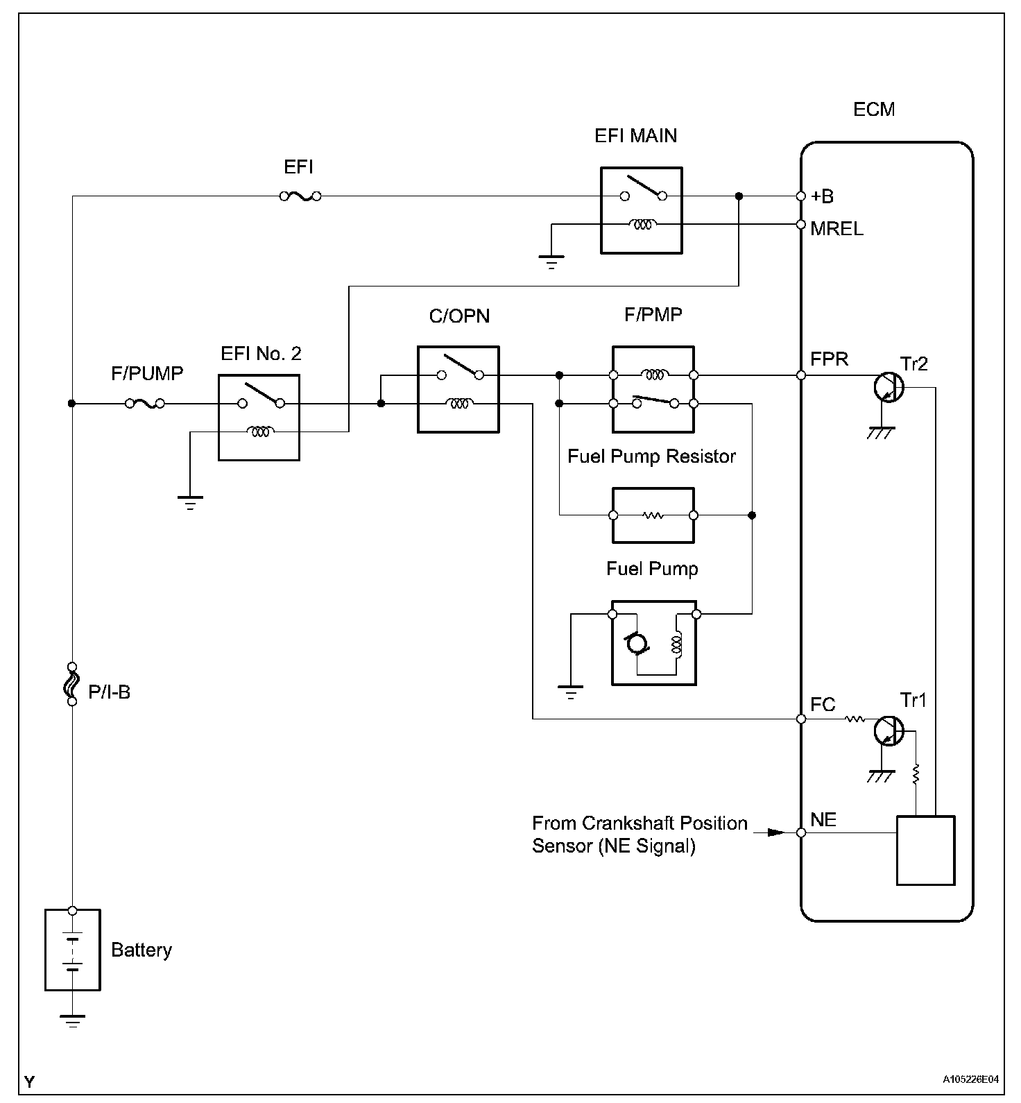
Fuel Pump Control Circuit

Fuel Pump Control Circuit

DESCRIPTION




DTC Detection Condition:




When the engine is cranked, a signal is sent from the ignition control ECU's STSW terminal to the ECM's STSW terminal. Then voltage travels from the ECM's STAR terminal through the park/neutral position switch to the STARTER relay coil. The STAR terminal also sends a signal to the STA terminal. When the STA signal and NE signal are input to the ECM, the ECM interior's Tr1 turns on, which causes power to be supplied to the C/OPN relay coil (C/OPN on). As a result, the F/PMP relay actuates, which causes the fuel pump to operate. If the engine is operating and NE signals are being output, the ECM interior's Tr1 is on (C/OPN on), and the fuel pump will continue operating. The fuel pump's has a high and low speed setting. When the engine is starting or operating with a heavy load, the ECM interior's Tr2 turns on to actuate the F/PMP relay so that the fuel pump operates at the high speed setting. When the engine is idling or operating with a light load, the Tr2 turns off, and current flows through the fuel pump resistor to the fuel pump so that the fuel pump operates at the low speed setting.

This troubleshooting procedure is based on the premise that the engine is started. If the engine is not started, proceed to the problem symptoms table.

Wiring Diagram:






Step 1-3:




Step 4-5:




Step 6-7:




Step 7(Continued)-9:




Step 10:




Step 11-12:




Step 13-14:




INSPECTION PROCEDURE