Operation CHARM: Car repair manuals for everyone.
Manuals through 2025 now available!

Our trusted friends have launched a new website named LEMON, which has newer manuals. It also contains all the CHARM manuals.

LEMON is the spiritual successor to CHARM, I recommend you try it!

Link: lemon-manuals.la or lemon-manuals.org.ua

(Some people have issue connecting. LEMON is investigating. For now, use Firefox or change your DNS server)

Or, hide this message: temporarily or permanently

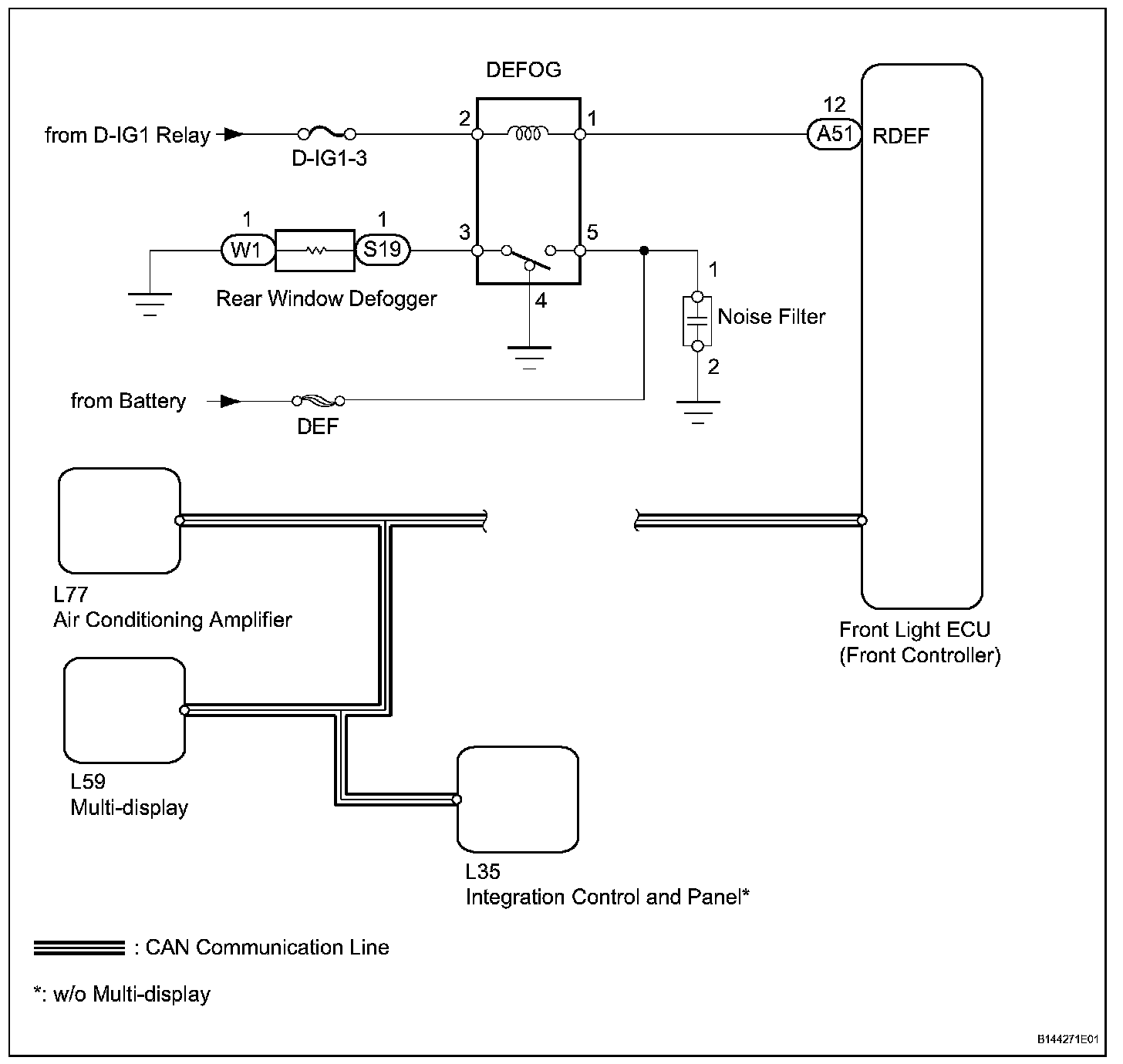
Rear Window Defogger System Does Not Operate

Rear Window Defogger System does not Operate

DESCRIPTION
When the rear window defogger switch turns ON, a rear defogger activation request signal from the air conditioning amplifier is sent via the CAN line to the front light ECU. Then the front light ECU operates the rear window defogger.

HINT: This circuit uses the CAN communication line. Before performing the inspection, check that the CAN communication system is functioning normally.

WIRING DIAGRAM

Wiring Diagram:





INSPECTION PROCEDURE

Step 1 - 3:




Step 3(Continued) - 6:




Step 6(Continued) - 7:




Step 8 - 9:




Step 9(Continued) - 10: