Operation CHARM: Car repair manuals for everyone.
Manuals through 2025 now available!

Our trusted friends have launched a new website named LEMON, which has newer manuals. It also contains all the CHARM manuals.

LEMON is the spiritual successor to CHARM, I recommend you try it!

Link: lemon-manuals.la or lemon-manuals.org.ua

(Some people have issue connecting. LEMON is investigating. For now, use Firefox or change your DNS server)

Or, hide this message: temporarily or permanently

Air Conditioning Control Assembly

Air Conditioning Control Assembly:




Air Conditioning Control Assembly:




Air Conditioning Control Assembly:




AIR CONDITIONING CONTROL ASSEMBLY

REMOVAL

1. DISCONNECT CABLE FROM NEGATIVE BATTERY TERMINAL

CAUTION: Wait at least 90 seconds after disconnecting the cable from the negative (-) battery terminal to prevent airbag and seat belt pretensioner activation.

HINT: At the time of installation, perform initialization.

NOTE: Certain systems need to be initialized after disconnecting and reconnecting the cable from the negative (-) battery terminal.




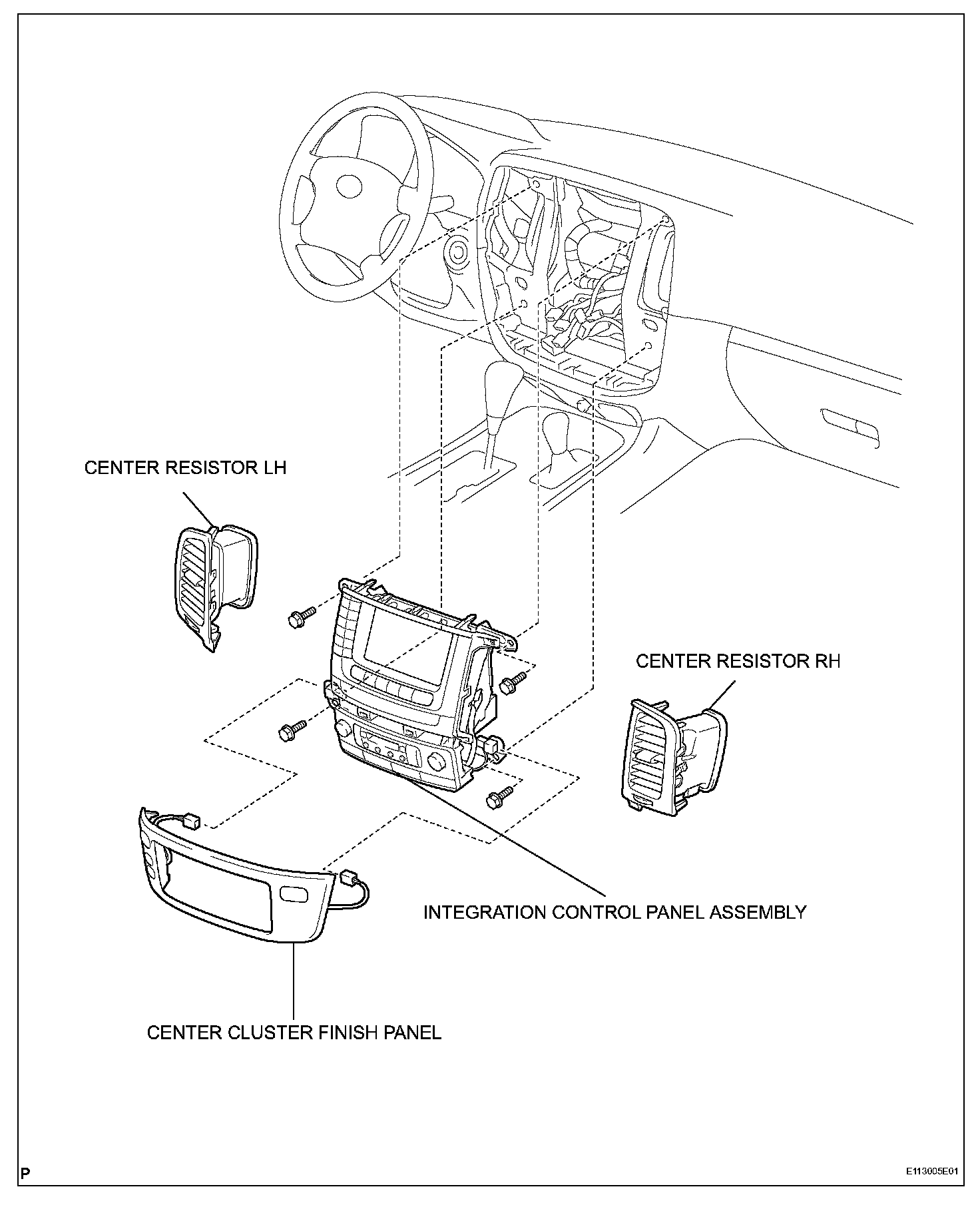
2. REMOVE CENTER CLUSTER FINISH PANEL
a. Disengage the 9 clips and remove the center cluster finish panel, and then disconnect the connector.




3. REMOVE CENTER RESISTOR
a. Disengage the 6 clips and remove the center resistors in both sides.




4. REMOVE INTEGRATION CONTROL PANEL ASSEMBLY
a. Remove the 4 bolts.
b. Disengage the 7 clips and remove the integration control panel assembly, and then disconnect the connectors.

5. REMOVE A/C AMPLIFIER ASSEMBLY (w/ Navigation System)




a. Disconnect the connector clamp.
b. Remove the 3 screws, 4 bolts and radio receiver bracket LH.




c. Remove the 2 screws and A/C amplifier.




6. REMOVE MULTI-DISPLAY (w/ Navigation System)
a. Remove the 2 screws, 2 bolts and the multi-display.




7. REMOVE INTEGRATION CONTROL PANEL (w/ Navigation System)
a. Disconnect the connector clamps.
b. Remove the screw, 2 bolts and radio receiver bracket RH.
c. Remove the integration control panel from the radio receiver.

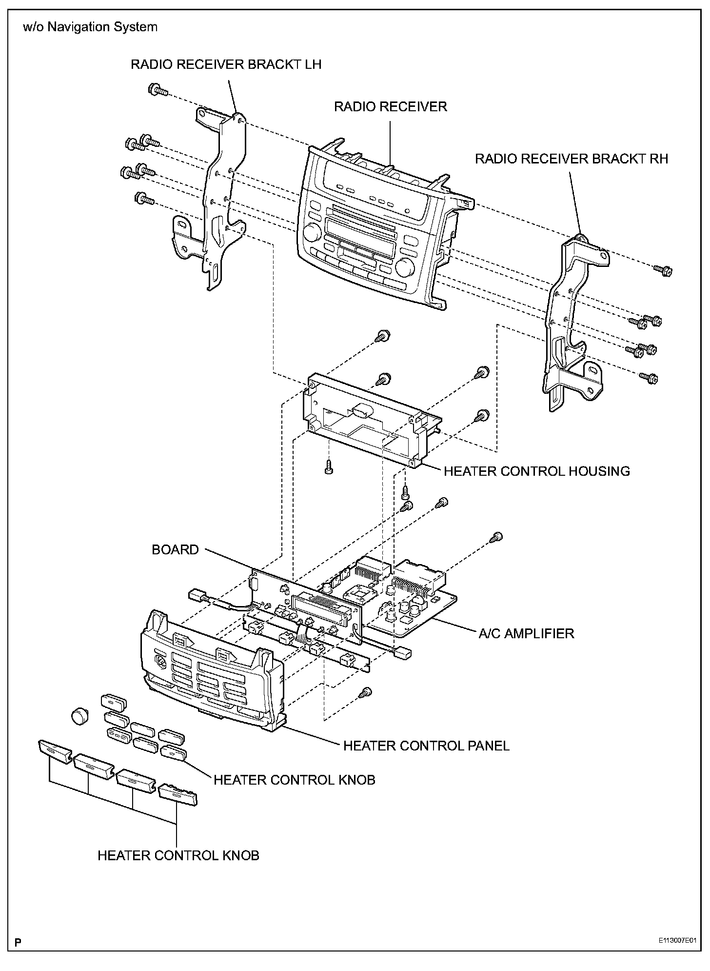
8. REMOVE HEATER CONTROL PANEL ASSEMBLY (w/o Navigation System)




a. Disconnect the connector clamp.
b. Remove the 6 bolts and radio receiver bracket LH.




c. Disconnect the connector clamp.
d. Remove the 6 bolts and radio receiver bracket RH.
e. Remove the heater control panel.

INSTALLATION

Installation is in the reverse order of removal.

w/ Navigation System:

HINT: When removing/installing or replacing the multi-display, or when disconnecting/connecting the battery cable, turn the ignition switch ON and OFF twice for initial display setting.