Operation CHARM: Car repair manuals for everyone.
Manuals through 2025 now available!

Our trusted friends have launched a new website named LEMON, which has newer manuals. It also contains all the CHARM manuals.

LEMON is the spiritual successor to CHARM, I recommend you try it!

Link: lemon-manuals.la or lemon-manuals.org.ua

(Some people have issue connecting. LEMON is investigating. For now, use Firefox or change your DNS server)

Or, hide this message: temporarily or permanently

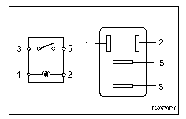
Oxygen Sensor Relay: Testing and Inspection

ON-VEHICLE INSPECTION

1. REMOVE A/F RELAY (Marking: A/F HTR)
a. Remove the engine room No. 8 relay block cover.
b. Remove the relay from the engine room No. 8 relay block.




2. CHECK A/F RELAY




a. Measure the resistance of the relay.

If the result is not as specified, replace the relay.

3. INSTALL A/F RELAY