Operation CHARM: Car repair manuals for everyone.
Manuals through 2025 now available!

Our trusted friends have launched a new website named LEMON, which has newer manuals. It also contains all the CHARM manuals.

LEMON is the spiritual successor to CHARM, I recommend you try it!

Link: lemon-manuals.la or lemon-manuals.org.ua

(Some people have issue connecting. LEMON is investigating. For now, use Firefox or change your DNS server)

Or, hide this message: temporarily or permanently

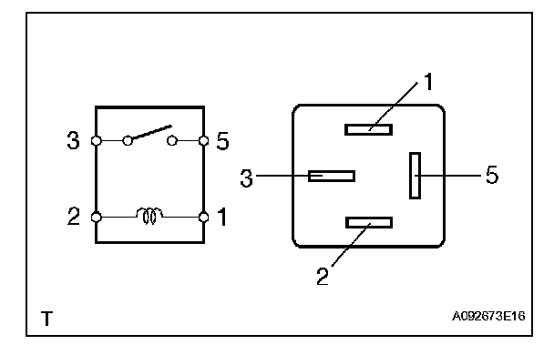
Ignition Relay: Testing and Inspection

ON-VEHICLE INSPECTION

HINT: The IG1 NO. 1 relay is built in the engine room junction block. Since the relay is constructed with a relay block that is in the junction block as a unit, it is impossible to disconnecting the wire harness connecting with the relay block.

If the relay has a malfunction, replace it with the junction block assembly wire harness together.




1. CHECK ENGINE ROOM JUNCTION BLOCK (IG1 NO. 1)
a. Disconnect the engine room relay block from the vehicle body.







b. Check the continuity of the relay.

If the continuity is not as specified, replace the engine room junction block.

c. Install the engine room relay block to the vehicle body.

2. CHECK IG1 NO. 2 RELAY (Marking: IG1 NO. 2)
a. Remove the relay from the cowl side junction block LH.







b. Measure the resistance of the relay.

If the result is not as specified, replace the relay.

c. Install the relay.

3. CHECK IG1 NO. 3 RELAY (Marking: IG1 NO. 3)
a. Remove the relay from the cowl side junction block RH.







b. Measure the resistance of the relay.

If the result is not as specified, replace the relay.

c. Install the relay.