Operation CHARM: Car repair manuals for everyone.
Manuals through 2025 now available!

Our trusted friends have launched a new website named LEMON, which has newer manuals. It also contains all the CHARM manuals.

LEMON is the spiritual successor to CHARM, I recommend you try it!

Link: lemon-manuals.la or lemon-manuals.org.ua

(Some people have issue connecting. LEMON is investigating. For now, use Firefox or change your DNS server)

Or, hide this message: temporarily or permanently

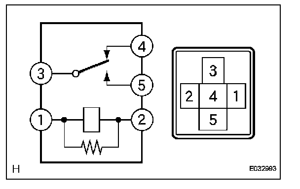
Heater Control Valve Relay: Testing and Inspection

ON-VEHICLE INSPECTION

1. INSPECT HEATER RELAY
a. Remove the heater relay from the instrument panel J/B.







b. Measure the resistance according to the value(s) in the table.

If the resistance is not as specified, replace the heater relay.

NOTE: While using the battery during inspection, do not bring the positive and negative tester probes too close to each other as a short circuit may occur.