Operation CHARM: Car repair manuals for everyone.
Manuals through 2025 now available!

Our trusted friends have launched a new website named LEMON, which has newer manuals. It also contains all the CHARM manuals.

LEMON is the spiritual successor to CHARM, I recommend you try it!

Link: lemon-manuals.la or lemon-manuals.org.ua

(Some people have issue connecting. LEMON is investigating. For now, use Firefox or change your DNS server)

Or, hide this message: temporarily or permanently

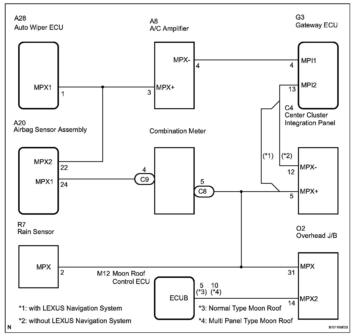
System Diagram

SYSTEM DIAGRAM

1. MULTIPLEX COMMUNICATION SYSTEM (BEAN) DESCRIPTION

System Diagram (Part 1):




System Diagram (Part 2):




a. The BEAN communication line is used to control the given items:

- Gateway ECU
- Transponder key ECU
- Main body ECU
- Power window control switch rear LH
- Power window control switch rear RH
- Power window control switch front RH
- Power window master switch
- Remote control mirror ECU LH
- Remote control mirror ECU RH
- Power back door ECU
- Power seat ECU (Driver side seat)
- AFS ECU
- Tilt and telescopic ECU
- Tire pressure warning ECU
- Air conditioning amplifier (A/C ECU)
- Auto wiper ECU " Airbag sensor assembly
- Combination meter ECU " Overhead J/B
- Sliding roof control ECU (Moon roof control ECU)
- Rain sensor
- Center cluster integration panel.

If there is a short-circuit (bus-down) in the line, communication to the system that has a short-circuit (bus-down) will be disabled and the DTC concerning the system will be output from the multiplex network body ECU.




b. If DTC indicating ECU communication stop is output, the connectors may be disconnected or the communication buses may be open at 2 points. Only 1 communication bus open will not set DTC.




c. If 2 communication buses are open at the positions as given in the illustration, DTC indicating ECU communication stop between those 2 buses is output.