Operation CHARM: Car repair manuals for everyone.
Manuals through 2025 now available!

Our trusted friends have launched a new website named LEMON, which has newer manuals. It also contains all the CHARM manuals.

LEMON is the spiritual successor to CHARM, I recommend you try it!

Link: lemon-manuals.la or lemon-manuals.org.ua

(Some people have issue connecting. LEMON is investigating. For now, use Firefox or change your DNS server)

Or, hide this message: temporarily or permanently

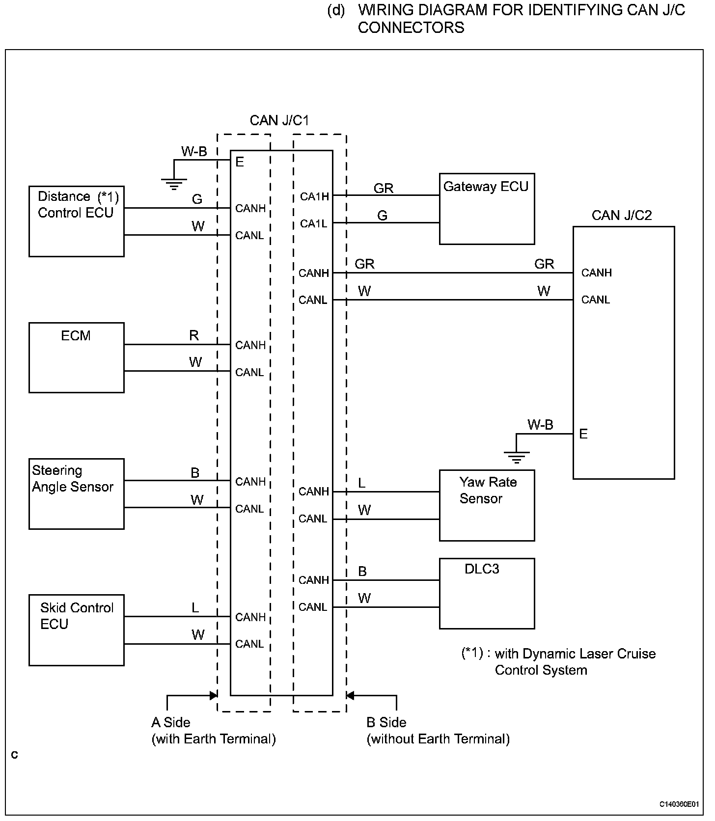
Connector Views

Terminals Of Control Module/Pinouts:



Terminals Of Control Module/Pinouts (Wiring Harness Connector [CAN J/C1, CAN J/C2]) (Part 1):



Terminals Of Control Module/Pinouts (Part 1):



Terminals Of Control Module/Pinouts (Wiring Harness Connector [CAN J/C1, CAN J/C2]) (Part 2):



Terminals Of Control Module/Pinouts (Part 2):



Terminals Of Control Module/Pinouts (Wiring Harness Connector [CAN J/C1, CAN J/C2]) (Part 23:



Terminals Of Control Module/Pinouts:



Terminals Of Control Module/Pinouts (DLC3):



Terminals Of Control Module/Pinouts:



Terminals Of Control Module/Pinouts (Skid Control ECU):



Terminals Of Control Module/Pinouts:



Terminals Of Control Module/Pinouts (Steering Angle Sensor) (Part 1):



Terminals Of Control Module/Pinouts:



Terminals Of Control Module/Pinouts (Steering Angle Sensor) (Part 2):



Terminals Of Control Module/Pinouts:



Terminals Of Control Module/Pinouts (Yaw Rate Sensor):



Terminals Of Control Module/Pinouts:



Terminals Of Control Module/Pinouts (ECM):



Terminals Of Control Module/Pinouts:



Terminals Of Control Module/Pinouts (Gateway ECU):



Terminals Of Control Module/Pinouts:



Terminals Of Control Module/Pinouts (Distance Control ECU [with Dynamic Cruise Control System]:



Terminals Of Control Module/Pinouts:



Terminals Of Control Module/Pinouts:



Terminals Of Control Module/Pinouts:



Terminals Of Control Module/Pinouts:



Terminals Of Control Module/Pinouts:



Terminals Of Control Module/Pinouts:



Terminals Of Control Module/Pinouts (Part 1):



Terminals Of Control Module/Pinouts (Part 2):



Terminals Of Control Module/Pinouts (Part 1):



Terminals Of Control Module/Pinouts (Part 1):



Terminals Of Control Module/Pinouts (Part 2):