Operation CHARM: Car repair manuals for everyone.
Manuals through 2025 now available!

Our trusted friends have launched a new website named LEMON, which has newer manuals. It also contains all the CHARM manuals.

LEMON is the spiritual successor to CHARM, I recommend you try it!

Link: lemon-manuals.la or lemon-manuals.org.ua

(Some people have issue connecting. LEMON is investigating. For now, use Firefox or change your DNS server)

Or, hide this message: temporarily or permanently

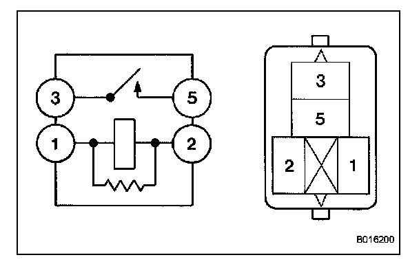
Oxygen Sensor Relay: Testing and Inspection

INSPECTION

1. INSPECT AIR FUEL RATIO SENSOR RELAY







a. Using an ohmmeter, measure the resistance according to the value(s) in the table.
If the result is not as specified, replace the relay.