Operation CHARM: Car repair manuals for everyone.
Manuals through 2025 now available!

Our trusted friends have launched a new website named LEMON, which has newer manuals. It also contains all the CHARM manuals.

LEMON is the spiritual successor to CHARM, I recommend you try it!

Link: lemon-manuals.la or lemon-manuals.org.ua

(Some people have issue connecting. LEMON is investigating. For now, use Firefox or change your DNS server)

Or, hide this message: temporarily or permanently

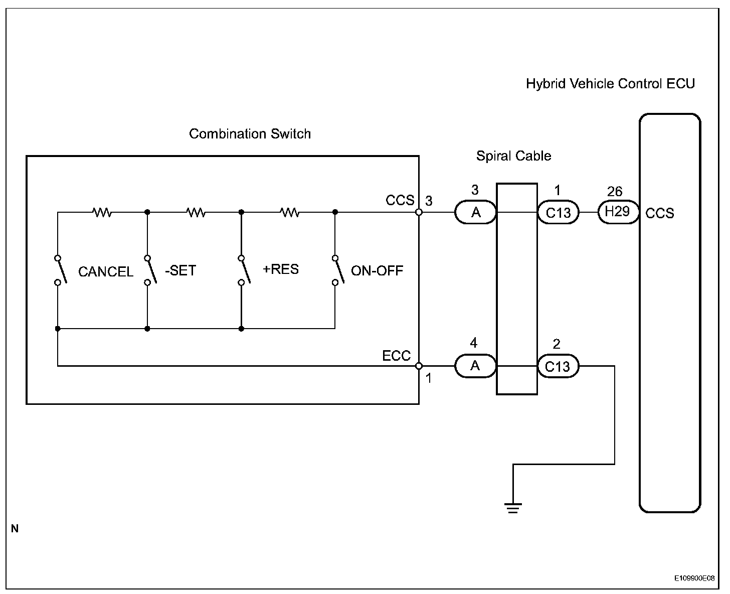
Cruise Control Switch Circuit

Cruise Control Switch Circuit

DESCRIPTION

Wiring Diagram:




The cruise control main switch operates 7 functions: SET, COAST, TAP-DOWN, RESUME, ACCEL, TAP-UP, and CANCEL. The SET, TAP-DOWN and COAST functions, and the RESUME, TAP-UP and ACCEL functions are operated with the same switch. The cruise control main switch is an automatic return type switch which turns on only while operating it in each arrow direction and turns off after releasing it. The internal contact point of the cruise control main switch is turned on with the switch operation. Then the ECM reads the resistance value that has been changed by the switch operation to control SET, COAST, RESUME, ACCEL and CANCEL.

Step 1-2:




Step 2 (Continued)-3:




Step 3 (Continued):




Step 4:




INSPECTION PROCEDURE